Texas Instruments UCC14340-Q1 Isoliertes Automotive-DC/DC-Modul
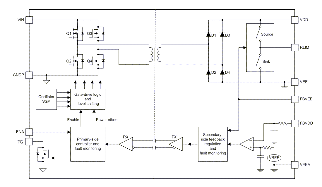
Das Texas Instruments UCC14340-Q1 isolierte Automotive-DC/DC-Modul bietet eine hohe Isolierung und ist für die Stromversorgung von IGBT- oder SiC-Gate-Treibern konzipiert. Das UCC14340-Q1 enthält einen Transformator und einen DC/DC-Controller mit einer proprietären Architektur, um einen hohen Wirkungsgrad bei sehr geringen Emissionen zu erreichen. Die Ausgangsspannungen mit hoher Genauigkeit sorgen für einen höheren Systemwirkungsgrad und belasten das Gate des Leistungsgeräts nicht übermäßig.Das UCC14340-Q1 vollständig integrierte Modul mit On-Chip-Bauschutz von TI benötigt nur eine geringe Anzahl externer Komponenten und bietet On-Chip-Bauschutz sowie zusätzliche Funktionen. Zu den Merkmalen dieses Bauteils gehören Eingangsunterspannungssperre, Ausgangsspannungs-Power-Good-Komparatoren, Überspannungssperre, Übertemperaturabschaltung, Soft-Start-Timing, einstellbare isolierte positive und negative Ausgangsspannung, ein Open-Drain-Ausgangs-Power-Good-Pin und ein Freigabe-Pin.
Merkmale
- Isoliertes DC/DC-Modul mit hoher Dichte und integriertem Transformator
- Isolierter DC/DC für die Ansteuerung mit IGBTs, SiC-FETs
- Eingangsspannungsbereich: 13,5 V bis 16,5 V mit 32 V absolutem Maximum
- Ausgangsleistung von 1,5 W für 13,5 V < VVIN < 16,5 V, bei TA ≤ 105 °C
- Einstellbare Einzel- oder Doppelausgangsspannungen (über Widerstände) mit einer Regelgenauigkeit von <±1,3 % über den gesamten Betriebsbereich
- Geringe elektromagnetische Emission durch Spreizspektrummodulation und integriertes Transformatorendesign
- Enable, Power Good, UVLO, OVLO, Soft-Start, Leistungsbegrenzung, Unterspannungs-, Überspannungs-, Kurzschluss- und Übertemperaturschutz
- CMTI > 50 kV/µs
- AEC-Q100-qualifiziert für Fahrzeuganwendungen
- Temperaturklasse 1 von -40 °C ≤ TJ ≤ 150 °C
- Temperaturklasse 1 von -40 °C ≤TA ≤ 125 °C
- Dokumentation über die Funktionssicherheitsfähigkeit zur Unterstützung des Designs funktionaler Sicherheitssysteme
- Geplante sicherheitsbezogene Zulassungen
- 5657VPK Basisisolierung nach DIN EN IEC
- 60747-17 (VDE 0884-17) - Isolierung von 3.000 VRMS für 1 Minute gemäß UL 1577
- Grundlegende Isolierung gemäß CQC GB4943.1
- 36-Pin-Wide-SSOP-Gehäuse
Applikationen
- Hybrid-, Elektro- und Antriebsstrangsysteme (EV/HEV)
- Wechselrichter und Motorsteuerung
- On-Board(OBC)- und kabelloses Ladegerät
- DC/DC-Wandler
- Industrie-Transportsysteme
- Elektroantrieb für Geländewagen
- Netzinfrastruktur
- EV-Leistungsmodul für Ladestationen
- DC-Ladestation (Stapel)
- String-Wechselrichter
- Motorantriebe
- AC-Wechselrichter und VF-Antriebe, Roboter-Servoantrieb
Bauteilvergleichstabelle
Vereinfachte Applikation
Typische Einschaltsequenz
Funktionales Blockdiagramm
Veröffentlichungsdatum: 2024-03-11
| Aktualisiert: 2025-03-06
