Texas Instruments UCC14241-Q1 Isoliertes Automotive-DC/DC-Modul
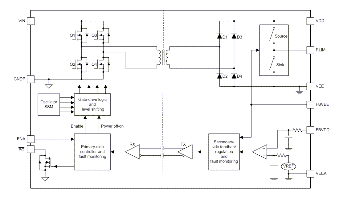
Das Texas Instruments UCC14241-Q1 isolierte Automotive-DC/DC-Modul ist für die Stromversorgung von IGBT- oder SiC-Gate-Treibern ausgelegt. Das UCC14241-Q1 kombiniert einen Transformator und einen DC/DC-Controller mit einer proprietären Architektur, um einen hohen Wirkungsgrad bei sehr geringen Emissionen zu erreichen. Die Ausgangsspannungen mit hoher Genauigkeit liefern eine bessere Kanalanreicherung für einen höheren Systemwirkungsgrad, ohne das Gate des Leistungsgeräts zu sehr zu belasten.Der UCC14241-Q1 von TI erreicht eine isolierte Ausgangsleistung mit hohem Wirkungsgrad von bis zu 2 W (typisch). Das Bauteil erfordert eine minimale Anzahl von externen Komponenten und verfügt über einen On-Chip-Schutz und zusätzliche Funktionen. Zu diesen Funktionen gehören eine Unterspannungssperre am Eingang, eine Überspannungssperre, eine Übertemperaturabschaltung, Power-Good-Komparatoren für die Ausgangsspannung, ein Soft-Start-Timeout, eine einstellbare isolierte positive und negative Ausgangsspannung, ein Open-Drain-Ausgangs-Power-Good-Pin und einen Freigabe-Pin.
Merkmale
- Vollständig integriertes isoliertes DC/DC-Modul mit hoher Dichte und Trenntransformator
- Isolierter DC/DC zur Ansteuerung von: IGBTs, SiC- und Si-MOSFETs
- Eingangsspannungsbereich von 21 V bis 27 V mit 32 V absolutem Maximum
- Ausgangsleistung bei TA ≤ 85 °C von 2,0 W und > 1,5 W bei TA = 105 °C
- Einstellbare Einzel- oder Doppelausgangsspannungen (über Widerstände) mit einer Regelungsgenauigkeit von <±1,3 % über den gesamten Betriebsbereich
- Geringe elektromagnetische Emission durch Spreizspektrummodulation und integriertes Transformatorendesign
- Enable, Power Good, UVLO, OVLO, Soft-Start, Leistungsbegrenzung, Unterspannungs-, Überspannungs-, Kurzschluss- und Übertemperaturschutz
- CMTI > 50 kV/µs
- Gemäß AEC-Q100 für Fahrzeuganwendungen zugelassen
- Temperaturklasse 1 von -40 °C ≤ TJ ≤ 150 °C
- Temperaturklasse 1 von -40 °C ≤TA ≤ 125 °C
- Dokumentation über die Funktionssicherheitsfähigkeit zur Unterstützung des Designs funktionaler Sicherheitssysteme
- Geplante sicherheitsrelevante Zertifizierungen
- Verstärkte Isolierung von 7.071 VPK gemäß DIN EN IEC 60747-17 (VDE 0884-17)
- Isolierung: 5.000 VRMS für 1 Minute gemäß UL1577
- Verstärkte Isolierung gemäß CQC GB4943.1
- 36-Pin-Wide-SSOP-Gehäuse
Applikationen
- Hybrid-, Elektro- und Antriebsstrangsystem (EV/HEV)
- Wechselrichter und Motorsteuerung
- On-Board(OBC)- und kabelloses Ladegerät
- DC/DC-Wandler
- Motorantriebe
- AC-Umrichter und VF-Laufwerke, Roboter-Servoantrieb
- Netzinfrastruktur
- EV-Leistungsmodul für Ladestationen
- DC-Ladestation (Stapel)
- String-Wechselrichter
- Industrie-Transportsysteme
- Elektroantrieb für Geländewagen
Bauteilvergleichstabelle
Vereinfachte Applikation
Typische Einschaltsequenz
Funktionales Blockdiagramm
Veröffentlichungsdatum: 2024-03-11
| Aktualisiert: 2025-05-22
