Texas Instruments UCC14131-Q1 Isolierte DC/DC-Module

Die isolierten DC/DC-Module UCC14131-Q1 von Texas Instruments sind für die Stromversorgung von GaN-, IGBT-, SiC- oder Si-Gate-Treibern ausgelegt. Der UCC14131-Q1 integriert einen Transformator und einen DC/DC-Controller mit einer firmeneigenen Architektur, um eine hohe Effizienz bei sehr geringen Emissionen zu erreichen.

Das UCC14131-Q1 von TI kann einen isolierten Ausgang von 12 V von einem geregelten Eingang von 12 V zur Ansteuerung von GaN- und Si-MOSFETs und einen isolierten Ausgang von 15 V oder 18 V von einem geregelten Eingang von 15 V zur Vorspannung der Treiberschaltung für SiC-MOSFETs oder IGBTs liefern. Die UCC14131-Q1 Module liefern eine hohe Genauigkeit mit besserer Kanalanreicherung für einen höheren Systemwirkungsgrad, ohne das Gate des Leistungsbauteils übermäßig zu belasten.

Merkmale

  • Vollständig integriertes isoliertes DC/DC-Modul mit hoher Dichte und Trenntransformator
  • Isolierter DC/DC zur Ansteuerung von: IGBTs, GaN-, SiC- und Si-MOSFETs
  • Eingangsspannungsbereich von 10 V bis 18 V mit 32 V absolutem Maximum
  • Ausgangsleistung von 1,5 W bei TA ≤105 °C
  • Ausgangsleistung von 1,0 W für 10 V <VVIN <18 V bei TA = 105 °C
  • Einstellbare Einzel- oder Doppelausgangsspannungen (über Widerstände) mit <±1,3% Regelungsgenauigkeit über den gesamten Betriebsbereich
  • Geringe elektromagnetische Emission durch Frequenzspreizungsmodulation und integriertes Transformatorendesign
  • Enable, Power Good, UVLO, OVLO, Soft-Start, Leistungsbegrenzung, Unterspannungs-, Überspannungs-, Kurzschluss- und Übertemperaturschutz
  • CMTI > 50 kV/µs
  • Gemäß AEC-Q100 für Automobilanwendungen zugelassen
    • Temperaturklasse 1 von -40 °C ≤TJ ≤150 °C
    • Temperaturklasse 1 von -40 °C ≤TA ≤125 °C
  • Dokumentation hinsichtlich der funktionalen Sicherheit zur Unterstützung des Designs funktionaler Sicherheitssysteme verfügbar
  • Geplante sicherheitsbezogene Zulassungen
    • 7071VPK verstärkte Isolierung nach DIN EN IEC 60747-17 (VDE 0884-17)
    • Isolierung: 5000 VRMS für 1 Minute gemäß UL1577
    • Verstärkte Isolierung gemäß CQC GB4943.1
  • 36-Pin-Wide-SSOP-Gehäuse

Applikationen

  • Hybrid-, Elektro- und Antriebsstrangsysteme (EV/HEV)
    • Wechselrichter und Motorsteuerung
    • Integriertes (OBC) und kabelloses Ladegerät
    • DC/DC-Wandler für den Automobilbereich
  • Motorantriebe
  • Industrie-Transportsysteme
  • Netzinfrastruktur
    • EV-Leistungsmodul für Ladestationen
    • DC-Ladestation (Stapel)
    • String-Wechselrichter
  • Handelsübliches Server-PSU

Bauteilvergleichstabelle

Tabelle - Texas Instruments UCC14131-Q1 Isolierte DC/DC-Module

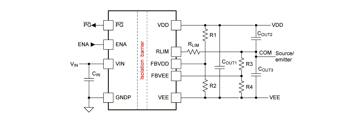
Vereinfachte Applikation

Applikations-Schaltungsdiagramm - Texas Instruments UCC14131-Q1 Isolierte DC/DC-Module

Typische Einschaltsequenz

Leistungsdiagramm - Texas Instruments UCC14131-Q1 Isolierte DC/DC-Module

Funktionales Blockdiagramm

Blockdiagramm - Texas Instruments UCC14131-Q1 Isolierte DC/DC-Module
Veröffentlichungsdatum: 2024-03-11 | Aktualisiert: 2025-05-22