Texas Instruments TPS631010EVM-109 Evaluierungsmodul
Das Evaluierungsmodul TPS631010EVM-109 von Texas Instruments ist zur Evaluierung und zum Testen des Betriebs und der Funktionalität des TPS631010 Buck-Boost-Wandlers ausgelegt. Dieses Modul arbeitet mit einem Eingangsspannungsbereich 1,6 V bis 5,5 V, wobei die Ausgangsspannung, auf 3,3 V festgelegt ist. Bei diesem Evaluierungsmodul kann der Ausgangsstrom auf 2 A ansteigen, wenn Vin höher als 3 V ist, und auf 1,5 A wenn Vi n höher als 2,7 V ist.Merkmale
- Eingangsspannungsbereich: 1,6 V bis 5,5 V
- 1,0 V bis 5,5 V Ausgangsspannungsbereich
- 3 A Spitzenstrombegrenzung
- 8 µA Ruhestrom (typisch)
Ansicht von Oben
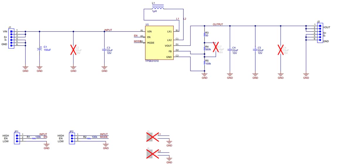
Schaltschema
Veröffentlichungsdatum: 2023-03-15
| Aktualisiert: 2024-01-23
