Texas Instruments TMDS1204 12-GBit/s-Hybrid-Redriver
Der Texas Instruments TMDS1204 12-GBit/s-Hybrid-Redriver ist ein HDMI 2.1 Redriver, der Datenraten von bis zu 12 GBit/s unterstützt. Er ist mit HDMI 1.4b und HDMI 2.0b rückwärtskompatibel Die Hochgeschwindigkeits-Differentialeingänge und -ausgänge können entweder DC- oder AC-gekoppelt sein. Dank dieser Eigenschaft kann der TMDS1204 als DP++ zu HDMI Pegelwandler oder HDMI-Redriver verwendet werden. Der TMDS1204 unterstützt 3- und 4-spurige HDMI 2.1 FRL mit 3, 6, 8, 10 und 12 GBit/s.Der TMDS1204 ist ein Hybrid-Redriver, der sowohl Senken- als auch Quellen-Applikationen unterstützt. Ein Hybrid-Redriver kann entweder in einer linearen oder begrenzten Redriver-Funktion arbeiten. Wenn der TMDS1204 als begrenzter Redriver konfiguriert ist, sind die differenziellen Ausgangsspannungspegel unabhängig von den Ausgangspegeln der Grafikprozessoreinheit (GPU) und gewährleisten HDMI-konforme Pegel an der Buchse. Der begrenzte Redriver-Modus wird für HDMI-Quellenapplikationen empfohlen. Wenn der TMDS1204 als linearer Redriver konfiguriert ist, sind die differenziellen Ausgangspegel eine lineare Funktion der GPU-Ausgangspegel. Diese Funktion ermöglicht es dem TMDS1204 für das Link-Training transparent zu sein und als Kanalverkürzer zu arbeiten. Der lineare Redriver-Modus wird für HDMI-Senken-Applikationen empfohlen.
Der TMDS1204 von Texas Instruments verfügt über einen integrierten HPD-Pegelwandler. Der HPD-Pegelwandler verschiebt das 5-V-HPD-Signal entweder auf 1,8 V oder 3,3 V. Der Pegelwandler-Ausgang kann auch als Push-, Pull- oder Open-Drain-Ausgang konfiguriert werden. Die Integration des Pegelwandlers eliminiert diskrete Lösungen und spart Systemkosten. Der TMDS1204 unterstützt eine einzelne Stromversorgungsschiene von 3,3 V auf VCC. Es wird in einer kommerziellen (TMDS1204) und einer industriellen (TMDS1204I) Temperaturausführung angeboten.
Merkmale
- AC- oder DC-gekoppelter Ein- und Ausgang mit Unterstützung für HDMI-2.0-Datenraten von bis zu 12 GBit/s
- Rückwärtskompatibel mit HDMI 1.4b und HDMI 2.0b
- HDMI 2.1 Fixed Rate Link (FRL) von 3, 6, 8, 10 und 12 GBit/s
- Unterstützt HDMI 2.1 drei- und vierspuriger FRL
- Optimiert für HDMI-Senkenapplikationen
- Adaptiver und fester Equalizer von bis zu 12 dB bei 6 GHz
- I2C- oder Pin-Strapping-programmierbar
- Integrierter HPD-Level-Shifter, der sowohl 1,8 V als auch 3,3 V LVCMOS-Pegel unterstützt
- Vollständiger Spurwechsel auf Hauptleitungen
- Integrierter Fan-out-Buffer für Applikationen, die getrennte Takt- und Datenpfade erfordern
- Eine Signalerkennungsausgangsanzeige
- Digital Display Control (DDC) Snooping-Funktion für die Verbindungskonfiguration
- Geringer Stromverbrauch
- 12G FRL vier Spuren aktiv begrenzt: 575 mW
- 12G FRL vier Spuren aktiv linear: 220 mW
- Abschaltleistung: 0,6 mW
- Erhältlich für kommerzielle und Industrietemperaturen
- Einzel-Stromversorgung: 3,3 V
- 40-Pin-Gehäuse von 4 mm × 6 mm mit einem Rastermaß von 0,4 mm
Applikationen
- Notebooks und Desktops
- Fernseher
- Heimkino und Unterhaltung
- Spielsysteme
- Dockingstationen
- Pro Audio, Video und Beschilderung
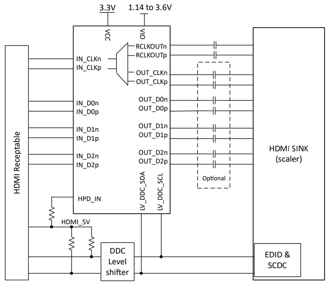
Vereinfachter Schaltplan
