Texas Instruments LMR60420/LMR60420-Q1 Synchroner Abwärtswandler
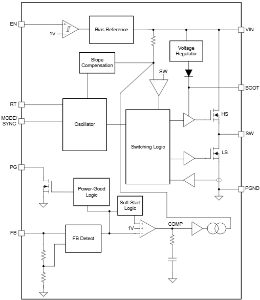
Der synchrone Abwärtswandler LMR60420/LMR60420-Q1 von Texas Instruments ist ein hocheffizienter Wandler mit 3 V auf 36 V und extrem niedrigem IQ -Wert, der eine hohe Leistungsdichte und geringen EMI-Wert ermöglicht. Dieser Wechselrichter bietet einen Ausgangsspannungsbereich von 1 V bis 20 V, einschließlich eines Widerstandsteilers zwischen dem Ausgangsspannungsknoten, der Rückkopplung und der Masse. Der Wechselrichter LMR60420/LMR60420-Q1 verfügt über einen Power-Good-Ausgang für die Stromsequenzierung und einen Modus/SYNC-Pin zur Auswahl zwischen den Betriebsmodi. Die Strommodus-Steuerungsarchitektur mit einer minimalen Einschaltdauer von 30 ns ermöglicht hohe Umwandlungsverhältnisse bei hohen Frequenzen, eine einfache Schleifenkompensation, ein schnelles Einschwingverhalten und eine hervorragende Last- und Leitungsregelung. Die Baureihe LMR60420/LMR60420-Q1 bietet Varianten mit einem Spread Spectrum in einem ultrakompakten 2,5 mm x 2 mm großen HotRod QFN-9-Gehäuse. Typische Applikationen umfassen die Fabrikautomatisierung und -steuerung, Haushaltsgeräte und die Gebäudeautomation.Der Wandler LMR60420/LMR60420-Q1 benötigt einen Ruhestrom von 5 µA, um bei allen Lasten einen hohen Wirkungsgrad zu gewährleisten. Der erzwungene Pulsweitenmodulationsmodus (FPWM) erzeugt eine konstante Schaltfrequenz über die gesamte Last, während der Automatikmodus nahtlose Übergänge zwischen PWM- und PFM-Schaltung ermöglicht. Die elektrischen Eigenschaften der Bauteile LMR60420/LMR60420-Q1 sind für eine maximale Sperrschichttemperatur von 150 °C ausgelegt. Die Bauteile LMR60420-Q1 sind gemäß AEC-Q100 für Fahrzeuganwendungen zugelassen.
Merkmale
- Fähig für die funktionale Sicherheit
- Dokumentation zur Unterstützung des Designs von funktionalen Sicherheitssystemen ist verfügbar
- Breiter Betriebsspannungsbereich: 3 V – 36 V (absolutes Maximum 42 V)
- Pin-programmierbare Ausgangsspannungsoptionen verfügbar in festen 3,3 V/ADJ und 5 V/ADJ
- Einstellbarer Ausgangsspannungsbereich: 1 V – 20 V
- Typische, niedrige minimale Einschaltzeit tON: 30 ns
- Optimiert für geringe Anforderungen an elektromagnetische Störungen (EMI)
- HotRod™ QFN-Gehäuse mit niedriger Induktivität
- Erweiterte Spread-Spectrum-Optionen sind verfügbar
- Programmierbarer Schaltfrequenzbereich: 200 kHz – 2,2 MHz
- Erzwungene Pulsweitenmodulation (FPWM), Pulsfrequenzmodulation (PFM) oder externe Frequenzsynchronisation sind verfügbar
- Extrem niedriger Ruhestrom
- 0,65 μA Abschaltstrom
- Standby-Strom: 5 μA
- Power-Good-Ausgang für Power Sequencing
Applikationen
- Fabrikautomatisierung und -steuerung
- Gebäudeautomation
Datenblätter
Vereinfachtes Schaltschema – Festkoppelung am Ausgang
Funktionales Blockdiagramm
Veröffentlichungsdatum: 2025-01-23
| Aktualisiert: 2025-09-03
