Texas Instruments LM4041/LM4041xQ Präzisionsspannungsreferenzen
Die Präzisionsspannungsreferenzen LM4041/LM4041xQ von Texas Instruments sind vielseitig, benutzerfreundlich und für eine Vielzahl von Anwendungen konzipiert. Die Bauteile benötigen keine externen Kondensatoren für den Betrieb und sind mit allen kapazitiven Lasten stabil.Die Referenzen LM4041/LM4041xQ von TI zeichnen sich durch eine geringe dynamische Impedanz, ein geringes Rauschen und einen niedrigen Temperaturkoeffizienten aus, um eine stabile Ausgangsspannung über einen weiten Bereich von Betriebsströmen und Temperaturen zu gewährleisten. Der LM4041 nutzt eine Sicherung und eine Zener-Zap-Rückwärts-Durchschlagspannung während der Wafersortierung, um vier Ausgangsspannungstoleranzen zu liefern, die von 0,1 % (maximal) für die A-Klasse bis 1 % (maximal) für die D-Klasse reichen. Daher wird Entwicklern eine große Flexibilität bei der Auswahl des besten Kosten-Leistungs-Verhältnisses für Applikationen geboten. Der LM4041 wird in einer festen (1,225 V nominal) oder einer einstellbaren version (die einen externen Widerstandsteiler benötigt, um den Ausgang auf einen Wert zwischen 1,225 V und 10 V einzustellen) geliefert.
Der LM4041 wurde auch für tragbare Anwendungen entwickelt, die in platzsparenden SC-70 und SOT-23-3 untergebracht sind und einen Mindeststrom von 45 μA (typisch) erfordern. Das TO-92-Gehäuse ist auch für Gehäuseanforderungen zur Durchsteckmontage verfügbar. Der LM4041xI ist für den Betrieb über einen Umgebungstemperaturbereich von -40 °C bis +85 °C ausgelegt und der LM4041xQ ist für den Betrieb über einen Umgebungstemperaturbereich von -40 °C bis +125 °C ausgelegt.
Merkmale
- 1,225 V Feste und einstellbare Ausgänge (1,225 V bis 10 V)
- Enge Ausgangstoleranzen und niedriger Temperaturkoeffizient
- Maximale 0,1 %, 100 ppm/°C – A-Klasse
- Maximale 0,2 %, 100 ppm/°C – B-Klasse
- Maximale 0,5 %, 100 ppm/°C – C-Klasse
- Maximale 1.0 %, 150 ppm/°C – D-Klasse
- Geringes Ausgangsrauschen von 20μVRMS (typisch)
- Großer Betriebsstrombereich von 45 μA (typisch) bis 12 mA
- Stabil bei allen kapazitiven Lasten; kein Ausgangskondensator erforderlich
- Erhältlich in
- Industrieller Temperaturbereich von -40 °C bis +85 °C
- Erweiterte Temperatur von -40 °C bis +125 °C
Applikationen
- Datenerfassungssysteme
- Netzteile und Stromversorgungswächter
- Messgeräte und Testgeräte
- Prozesssteuerung
- Präzisions-Audio
- Fahrzeugelektronik
- Energiemanagement/-messung
- Batteriebetriebene Bauteile
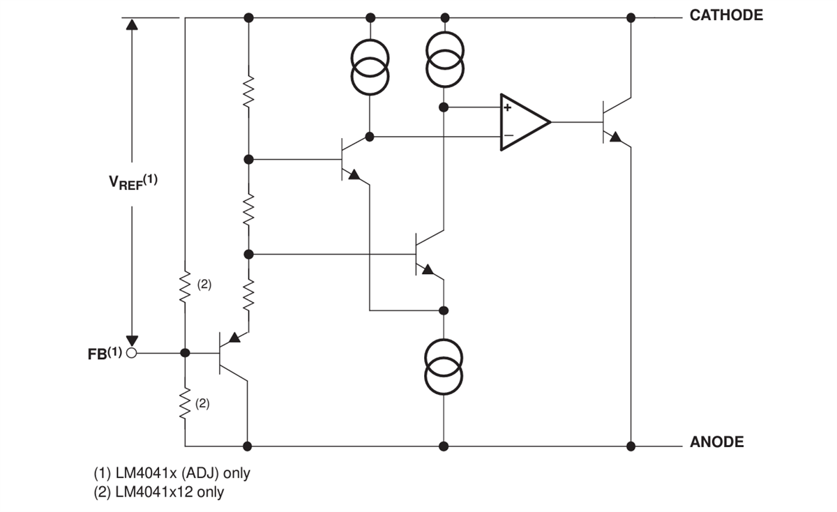
Funktionales Blockdiagramm
Kontaktkonfigurationen
