Texas Instruments LM4041-N/LM4041-N-Q1 Präzisionsspannungsreferenzen

Texas Instruments LM4041-N/LM4041-N-Q1 Präzisionsspannungsreferenzen sind in Subminiatur-, oberflächenmontierten SC70- und SOT-23 -Gehäusen erhältlich, die sich ideal für platzkritische Anwendungen eignen. Das LM4041-N verfügt über ein modernes Design, das einen externen Stabilisierungskondensator überflüssig macht und Stabilität bei jeder kapazitiven Last bietet. Die Verfügbarkeit einer festen (1,225 V) und einer einstellbaren Durchbruchsspannung in Sperrrichtung reduziert den Entwicklungsaufwand weiter und macht den Baustein anwenderfreundlich.

Die LM4041-N 1,2 und die LM4041-N ADJ haben einen minimalen Betriebsstrom von 60 μA bzw. einen maximalen Betriebsstrom von 12 mA. Die TI LM4041-N nutzt Sicherungen und Zener-Zap-Reverse-Durchbrüche oder Referenzspannungstrimmung während der Wafersortierung, um zu garantieren, dass die Hauptteile eine Genauigkeit von besser als ±0,1 % (A-Grad) bei 25 °C haben.

Die Bauteile verfügen über eine Korrektur der Temperaturdrift der Bandlückenreferenz und eine niedrige dynamische Impedanz, die eine stabile Genauigkeit der Durchbruchsspannung in Sperrrichtung über einen breiten Bereich von Betriebstemperaturen und -strömen bestätigt.

Merkmale

  • Qualifiziert für Automobilanwendungen
  • Mit den folgenden Ergebnissen SEC-Q100-qualifiziert:
    • Gerätetemperaturklasse 1 -40 °C bis +125 °C Umgebungstemperaturbereich
    • Gerätetemperaturklasse 3 -40 °C bis +85 °C Umgebungstemperaturbereich (nur für SOT-23 )
  • Erhältlich in Standard-, AEC Q-100 Grad 1 (erweiterter Temperaturbereich) und Grad 3 (industrieller Temperaturbereich) qualifizierten Versionen (nur SOT-23)
  • Kleine Gehäuse von SOT-23, TO-92, und SC70
  • Es ist kein Ausgangskondensator erforderlich
  • Verträgt kapazitive Lasten
  • Durchbruchsspannungsoptionen 1,225 V und einstellbar
  • Toleranz der Ausgangsspannung (Klasse A, 25 °C) = ±0,1 % (maximal)
  • Geringes Ausgangsrauschen (10 Hz bis 10 kHz) = 20 μVrms
  • Großer Betriebsstrombereich von 60 μA bis 12 mA
  • Industrieller Temperaturbereich (LM4041A/B-N, LM4041-N-Q1A/Q1B) von -40 °C bis +85 °C
  • Erweiterter Temperaturbereich (LM4041C/D/E-N, LM4041-N-Q1C/Q1D/Q1E) von -40 °C bis +125 °C
  • Niedertemperaturkoeffizient von 100 ppm/°C (maximal)

Applikationen

  • Batteriebetriebene, tragbare Geräte
  • Datenerfassungssysteme
  • Messgeräte
  • Prozesssteuerung
  • Energiemanagement
  • Automobil-Applikationen
  • Präzisions-Audiokomponenten

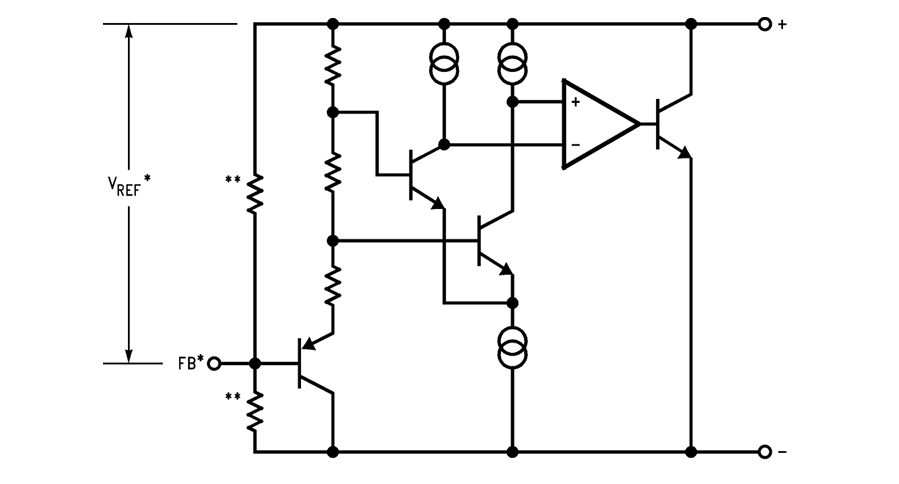
Blockdiagramm

Blockdiagramm - Texas Instruments LM4041-N/LM4041-N-Q1 Präzisionsspannungsreferenzen

Kontaktkonfigurationen

Tabelle - Texas Instruments LM4041-N/LM4041-N-Q1 Präzisionsspannungsreferenzen
Veröffentlichungsdatum: 2025-01-15 | Aktualisiert: 2025-05-22