Texas Instruments ISO1044DEVM CAN-Transceiver-Evaluierungsmodul
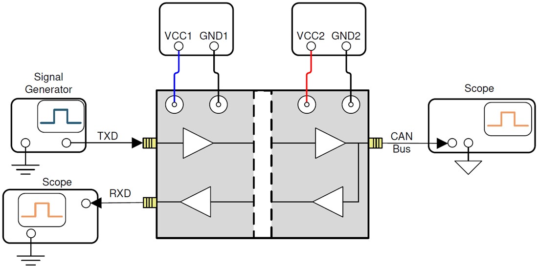
Das Texas Instruments ISO1044DEVM CAN-Transceiver-Evaluierungsmodul (EVM) wird zur Evaluierung des robusten EMV-isolierten CAN-Transceivers mit grundlegender Isolierung (ISO1044) im kleinen SOIC-8D-Gehäuse verwendet. Das Evaluierungsmodul bietet ausreichend Testpunkte und Steckbrückenoptionen zur Evaluierung des Bauteils mit einer minimalen Anzahl externer Komponenten. Das Evaluierungsmodul unterstützt viele Optionen für die CAN-BUS-Konfiguration. Das System ist bereits mit einem geteilten Terminierungsnetzwerk mit einer Gleichtakt-Kapazität und zusätzlichen Kondensatoren am Bus zur Absicherung ausgestattet.Das Texas Instruments ISO1044DEVM ermöglicht auch das Einsetzen eines 120 Ω-Widerstands, der mit dem Evaluierungsmodul als abgeschlossenes Leitungsende verwendet werden kann (CAN ist für eine 120 Ω Impedanz bei verdrillten Kabeln definiert). Es sind Pads vorhanden, um Schutzkomponenten wie TVS-Dioden und Gleichtaktdrosseln (CM) anzubringen. Standardmäßig werden Bypass-Pfade rund um diese Bauteile verwendet. Der Kunde hat die Möglichkeit, die gewünschte Bauelemente mit diesen Optionen einzubauen.
Merkmale
- Grundlegende Isolierung (3 kVrms), hohe Geschwindigkeit, robuste EMC isolierte CAN
- Breiter Versorgungsspannungs- und Pegelübersetzungsgbereich von bis 1,71 V 5,5 V
- Hohe Signalisierungsrate von CAN FD bis zu 5 Mbit/s
- Lebensdauer der Isolationsbarriere > 25 Jahre
- Kleines SOIC-8D-Gehäuse
Testeinrichtung
Veröffentlichungsdatum: 2020-05-05
| Aktualisiert: 2025-03-10
