Texas Instruments ISO1044B Isolierter CAN-FD-Transceiver
Der isolierte CAN FD-Transceiver ISO1044B von Texas Instruments ist ein galvanisch isolierter CAN-Transceiver (Controller Area Network), der die Spezifikationen des Standards ISO11898-2 (2016) einhält. Das ISO1044B Bauteil bietet ±58 V DC-Bus-Fehlerschutz und ±12 V Gleichtaktspannungsbereich. Im CAN FD-Modus unterstützt das Bauteil eine Datenrate bis zu 5 Mbps und ermöglicht damit eine viel schnellere Übertragung der Nutzlast als der klassische CAN. Dieses Bauteil verwendet eine Isolationsbarriere aus Siliziumdioxid (SiO2) mit einer Stehspannung von 3000 VRMS und einer Arbeitsspannung von 450 VRMS. Die elektromagnetische Verträglichkeit wurde erheblich verbessert, um die Einhaltung der ESD-, EFT-, Überspannungs- und Emissionsvorschriften auf Systemebene zu ermöglichen. Bei Verwendung mit isolierten Stromversorgungen schützt das Bauteil vor Hochspannung und verhindert, dass Störströme vom Bus in die lokale Erdung gelangen. Der ISO1044B von Texas Instruments unterstützt einen großen Umgebungstemperaturbereich von -40°C bis +125 °C. Das Bauteil ist im kleinen SOIC-8-(D)-Gehäuse erhältlich, das die Größe der Lösung im Vergleich zum herkömmlichen Ansatz mit Optokopplern zur Isolierung des CAN-Transceivers erheblich reduziert.-Merkmale
- Entspricht dem Standard ISO 11898-2:2016 für die physikalische Schicht
- Unterstützt das klassische CAN bis zu 1 MBit/s und FD (flexible Datenrate) bis zu 5 MBit/s
- Schutzfunktionen
- DC-Bus-Fehlerschutzspannung: ±58 V
- IEC-ESD-Toleranz auf Bus-Pins: ±8 kV
- HBM-ESD-Toleranz auf den Bus-Pins: ±10 kV
- Dominante Zeitüberschreitung des Treibers (TXD DTO)
- Unterspannungsschutz auf VCC1 und VCC2
- ±12 V Gleichtaktspannungsbereich
- Ideale passive, hochohmige Busklemmen im stromlosen Zustand
- Hohe CMTI: ±85 kV/µs (min.)
- 1,71 V bis 5,5 V VCC1 Spannungsbereich
- Unterstützt die 1,8 V, 2,5 V, 3,3 V und 5,0 V logische Schnittstelle zum CAN-Controller
- 4,5 V bis 5,5 V VCC2 Spannungsbereich
- Robuste elektromagnetische Verträglichkeit (EMC)
- ESD-, EFT- und Stoßstromimmunität auf Systemebene
- Geringe Emissionen
- Umgebungstemperaturbereich: -40 °C bis +125 °C
- 8-SOIC-Gehäuse
- Sicherheitsbezogene Zertifizierungen
- Alle Zertifizierungen sind geplant
- VDE-verstärkte Isolierung gemäß DIN VDE V 0884-11:2017-01
- UL 1577 Komponentenerkennungsprogramm
- IEC 60950-1-, IEC 62368-1-, IEC 61010-1- und GB 4943.1-2011-Zertifizierungen
Applikationen
- AC- und Servoantriebe
- Solarwechselrichter
- SPS- und PLS-Kommunikationsmodule
- Aufzüge und Rolltreppen
- Industrienetzteile
- Batterieladen und Batteriemanagement
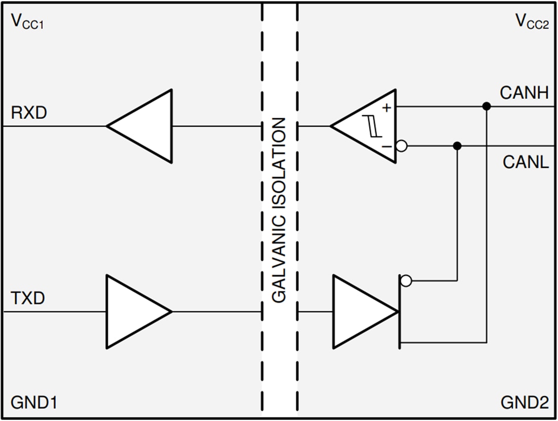
Funktionales Blockdiagramm
Veröffentlichungsdatum: 2020-08-07
| Aktualisiert: 2024-07-29
