Texas Instruments DRV8840 DC-Motortreiber
Texas Instruments DRV8840 DC-Motortreiber sind 5-A-Bürsten-DC-Treiber mit Einschaltschutz, die sich ideal für Applikationen in automatisierten Anlagen eignen. Diese Treiber enthalten einen H-Brückentreiber und sind für den Betrieb eines DC-Motors vorgesehen. Die DRV8840 Treiber können einen Spitzenstrom von bis zu 5 A oder einen Ausgangsstrom von 3,5 A liefern. Diese Treiber verfügen über einen Abkling-Modus, der programmierbar ist, um das Bremsen oder Ausrollen des Motors bei Deaktivierung zu ermöglichen. Funktionen umfassen Überstromschutz, Kurzschluss-Sicherung, Unterspannungssperre und Übertemperaturschutz. Die DRV8840 DC-Motortreiber sind in einem 28-Pin-HTSSOP-Gehäuse mit PowerPAD™ erhältlich. Zu den Applikationen gehören Drucker, Scanner, Spielautomaten, Büroautomatisierungsmaschinen, Fabrikautomatisierung und Robotik. Im Vergleich zum DRV8840 spart der neue DRV8874 durch die Eliminierung von Messwiderständen BOM, Platz und Kosten.Merkmale
- Einzelner H-Brücken-Motortreiber mit Stromregelung
- 8,2 V bis 45 V Betriebsversorgungsspannungsbereich
- Die Fünf-Bit-Stromregelung ermöglicht bis zu 32 Strompegel
- Niedriger MOSFET RDS(on) von 0,65 Ω (HS + LS) (typisch)
- Maximaler Antriebsstrom von 5 A bei 24 V und TA = 25 °C
- Eingebauter 3,3-V-Referenzausgang
- Parallele digitale Steuerungsschnittstelle
- Thermisch verstärktes Gehäuse zur Oberflächenmontage
- Schutzfunktionen:
- Überstromschutz (OCP)
- Thermische Abschaltung (TSD)
- VM-Unterspannungssperre (UVLO)
- Fehlerbedingungs-Anzeigepin (nFAULT)
Applikationen
- Drucker
- Scanner
- Büroautomatisierungsmaschinen
- Fabrikautomatisierung
- Robotik
- Spielautomaten
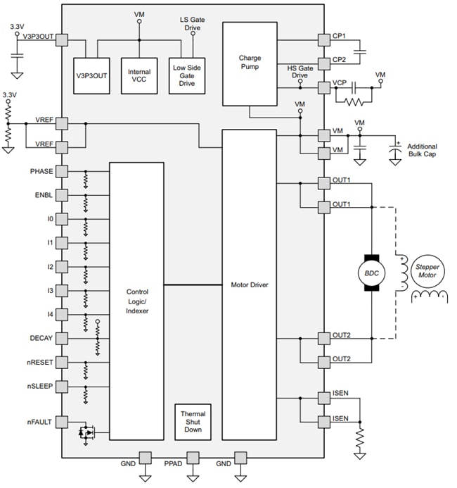
DRV8840 Blockdiagramm
DRV8840 Schaltplan
Veröffentlichungsdatum: 2019-03-28
| Aktualisiert: 2023-08-14
