STMicroelectronics STEVAL-VP318L2F Wandler-Referenzdesign

Das STMicroelectronics STEVAL-VP318L2F Wandler-Referenzdesign implementiert einen isolierten Sperrwandler mit 15 V, 18 W in primärseitiger Regelung (PSR), der für den Betrieb von Universal-Applikationen von 90 bis 265 VAC ausgelegt ist. Das Referenzdesign basiert auf dem VIPER318LDTR Offline-Hochspannungswandler, der zur VIPerPlus-Produktfamilie von STMicroelectronics gehört. Diese Produktfamilie wird mit einem Avalanche-festen 800-V-Leistungs-MOSFET, einer PWM-Strommodussteuerung, einer festen Schaltfrequenz von 60 kHz mit Jitter zur Erfüllung der Anforderungen der Standards für elektromagnetische Störungen und einem Burst-Modus für die Verarbeitung von leichten Lasten geliefert. Die Hauptmerkmale des Evaluierungsboards sind seine geringe Größe und minimale BOM, der hohe Wirkungsgrad, der geringe Standby-Verbrauch und die genaue Leitungs- und Lastregelung über die gesamten Eingangs- und Ausgangsbereiche. Überspannungs- und Unterspannungsschutzfunktionen am Eingang mit separaten und einstellbaren Interventionsschwellenwerten sind auf den OVP- bzw. UVP-Pins verfügbar.

Merkmale

  • Universaleingangs-Stromnetzbereich 90 bis 265 VAC
  • Frequenz: 50 bis 60 Hz
  • Ausgangsspannung: 15 V
  • Ausgangsstrom: 1,2 A
  • Durchschnittlicher Wirkungsgrad: > 83 %
  • Genaue Leitungs- und Lastregelung über die gesamten Eingangs- und Ausgangsbereiche
  • Erfüllt dank der Frequenz-Jitter-Funktion die Anforderungen für leitungsgebundene EMI gemäß IEC55022 Klasse B selbst mit reduziertem EMI-Filter
  • RoHS-konform

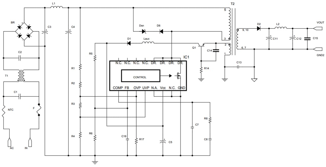
Schaltplan

Schaltplan - STMicroelectronics STEVAL-VP318L2F Wandler-Referenzdesign
Veröffentlichungsdatum: 2021-07-28 | Aktualisiert: 2022-03-11