Renesas Electronics ISL81802 Synchrone Dual-Abwärtswandler
Die ISL81802 synchronen Dual-Abwärtsregler von Renesas Electronics sind zur Erzeugung von zwei unabhängigen Ausgängen oder einem Ausgang mit zwei verschachtelten Phasen ausgelegt Diese Regler verfügen über eine Spitzenstrommodussteuerung mit Phasenverschachtelung für die beiden Ausgänge. Darüber hinaus verfügen die ISL81802 Regler über einen programmierbaren Sanftanlauf und genaue Schwellenwert-Freigabefunktionen mit einer Power-Good-Anzeige, welche die Sequenzierung der Stromversorgungsschienen vereinfacht. Diese Regler werden von einem Eingangsspannungsbereich von 4,5 V bis 80 V, einem programmierbaren Frequenzbereich von 100 kHz bis 1 MHz und einem niedrigen Abschaltstrom von 5µA betrieben. Die ISL81802 Regler bieten einen Überspannungsschutz (OVP), Unterspannungsschutz (UVP), einen einmalig programmierbaren Speicher (OTP) sowie Mittel- und Spitzenstrombegrenzungen an beiden Ausgängen für eine hohe Zuverlässigkeit. Diese Regler werden in Telekommunikation, Rechenzentren, Fahrzeugelektronik, Industrieanlagen und Leistungssystemen verwendet.Merkmale
- 4 x MOSFET-Treiber mit adaptivem Durchzündungsschutz
- Verbesserung des Wirkungsgrads bei geringer Last, Dioden-Emulation mit niedriger Welligkeit und Burst-Modus-Betrieb
- Programmierbarer Sanftanlauf
- Unterstützt ein Einschalten in vorgespannte Schienen
- Externe Taktsynchronisierung
- Takt-Out mit exaktem Phasenwinkel, der über PLL oder Frequenz-Dithering gesteuert wird
- Ausgangsstromwächter
- Konstante Ausgangsspannungs- und Ausgangsstrom-Rückkopplungsschleifensteuerung
- Unterstützt Stromaufteilung mit Kaskaden-Phasenverschachtelung
- P-GOOD-Anzeige
- Wählbarer Modus zwischen PWM/DE/Burst
- 4.5V bis 80V Eingangsspannungsbereich
- Ausgangsspannungsbereich: 0,8 V bis 76 V
- Niedriger Abschaltstrom: 5 µA
- Programmierbarer Frequenzbereich: 100 kHz bis 1 MHz
- ±2 % Genauer EN/UVLO-Schwellenwert
Applikationen
- Telekommunikation
- Server und Rechenzentren
- Fahrzeugelektronik
- Industrie-Ausstattung
- Leistungssysteme
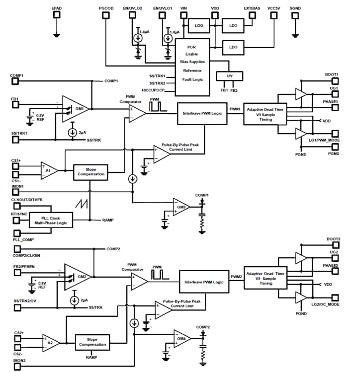
Blockdiagramm
Typisches Applikationsdiagramm
Veröffentlichungsdatum: 2020-12-17
| Aktualisiert: 2023-12-11
