Renesas Electronics ISL81801 80-V-Buck-Boost-Controller

Renesas Electronics ISL81801 Abwärts-/Aufwärtsregler sind echte bidirektionale Regler mit vier Schaltern, die eine Spitzen- und Durchschnittsstrommessung und -überwachung an beiden Enden bieten. Diese Regler verfügen über einen proprietären Auf-/Abwärtssteueralgorithmus, eine Talstrommodulation für den Aufwärtsmodus und eine Spitzenstrommodulation für die Abwärtsmodussteuerung. Die ISL81801 Regler unterstützen eine parallele Betriebsstromaufteilung mit Kaskaden-Phasenverschachtelung und bieten einen wählbaren PWM-Modusbetrieb zwischen PWM-/DE-/burst-Modi. Diese Controller arbeiten in einem Eingangsspannungsbereich von 4,5 V bis 80 V, einem großen Ausgangsspannungsbereich von 0,8 V bis 80 V und einem programmierbaren Frequenzbereich von 100 kHz bis 600 kHz. Die ISL81801 Controller sind in TQFN- und HTSSOP-Gehäusen verfügbar, die ein EPAD zur Verbesserung der thermischen Leistungsfähigkeit und Rauschimmunität verwenden. Diese Regler werden in Batterie-Backup, redundanten Netzteilen, medizinischen Geräten,  -Sicherheitsüberwachung, Fahrzeug-Sekundärmarkt, erneuerbaren Energien und batteriebetriebenen Industrieapplikationen verwendet.

Merkmale

  • Buck-Boost-Controller mit vier Schaltern und einer Einzelinduktivität
  • Bidirektionaler On-the-fly-Betrieb mit unabhängiger Spannungs- und Stromsteuerung an beiden Enden
  • Proprietärer Algorithmus für einen reibungslosen Übergang in den Modus
  • MOSFET-Treiber mit adaptivem Durchzündungsschutz
  • Unterstützt die Parallelbetrieb-Stromteilung mit Kaskaden-Phasenverschachtelung
  • Externe Synchronisierung mit Taktausgang oder Frequenz-Dithering
  • Ausgangs- und Eingangsstrom-Überwachung
  • Präzise EN/UVLO- und PGOOD-Anzeige
  • Unterstützt ein Einschalten in vorgespannte Schienen
  • Externe Vorspannung für einen höheren Wirkungsgrad für einen 8-V- bis 36-V-Eingang
  • Wählbarer PWM-Modusbetrieb zwischen PWM-/DE-/Burst-Modi
  • Programmierbarer Frequenzbereich: 100 kHz bis 600 kHz
  • 4.5V bis 80V Eingangsspannungsbereich
  • Ausgangsspannungsbereich: 0,8 V bis 80 V
  • Niedriger Abschaltstrom: 2,7 µA

Applikationen

  • Batterie-Backup
  • USV-/Speichersysteme
  • Batteriebetriebene Industrieapplikationen
  • Erneuerbare Energie
  • Automotive-Sekundärmarket
  • Ausfallsichere Netzteile
  • Roboter und Drohnen
  • Medizinische Geräte
  • Gebäude- und Industrieautomatisierung
  • Sicherheitsüberwachung

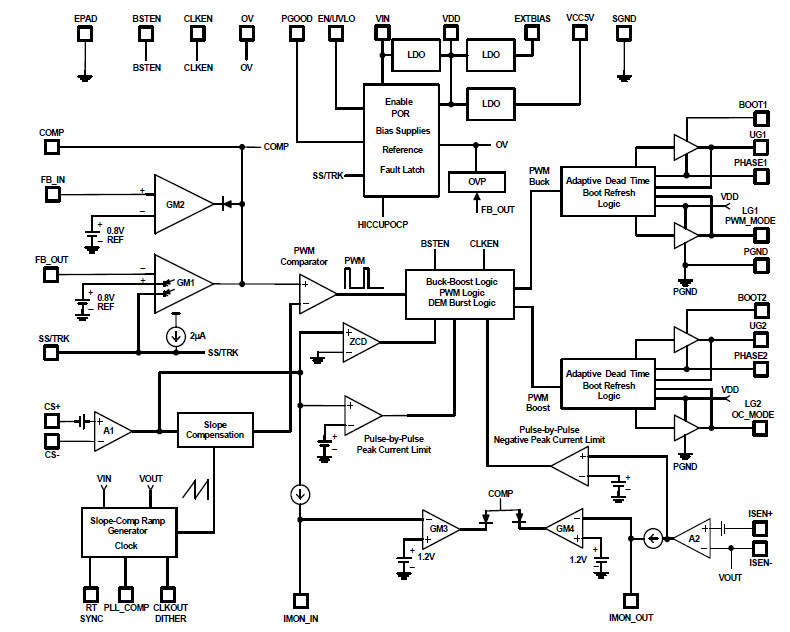
Blockdiagramm

Blockdiagramm - Renesas Electronics ISL81801 80-V-Buck-Boost-Controller

Typisches Applikationsdiagramm

Applikations-Schaltungsdiagramm - Renesas Electronics ISL81801 80-V-Buck-Boost-Controller
Veröffentlichungsdatum: 2020-12-15 | Aktualisiert: 2023-12-11