onsemi NVH660S75L4SPFx 6-Pack-IGBT-Module
onsemi NVH660S75L4SPFx 6-Pack-IGBT-Module sind Leistungsmodule der VE-Trac™ -Direct-Produktfamilie von hochintegrierten Leistungsmodulen mit Industriestandard-Footprints. Diese IGBT-Module integrieren sechs schmale Field-Stop-4(FS4)-Mesa-IGBTs von 750 V in einer 6-Pack-Konfiguration. Die NVH660S75L4SPFx Module verfügen über eine extrem niedrige Streuinduktivität, einen Dauerbetrieb von 175°C, schnelle Freilaufdioden-Chip-Technologien und ein isoliertes 4,2-kV-DBC-Substrat. Die NVH660S75L4SPFx IGBT-Module sind RoHs-konform und erfüllen die Brennbarkeitsklasse UL 94 V-0. Diese IGBT-Module eignen sich für Traktionswechselrichter von Hybrid- und Elektrofahrzeugen sowie Hochleistungswandler.Merkmale
- Direkte oder indirekte Kühlung mit flachem Sockel-Kühlkörper
- Extrem niedrige Streuinduktivität
- Tjmax = 175 °C Dauerbetrieb
- Niedrige VCESAT und Schaltverluste
- Schmaler FS4-Mesa-IGBT von 750 V nach Automobilstandard
- Schnelle Freilaufdioden-Chip-Technologien
- Isoliertes DBC-Substrat: 4,2 kV
- Einfach zu integrierende 6-Pack-Topologie
- Bleifrei und RoHS-konform
- Erfüllt die Brennbarkeitsklasse UL 94 V-0
Applikationen
- Traktionswechselrichter für Hybrid- und Elektrofahrzeuge
- Hochleistungswandler
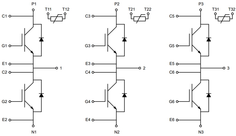
Kontaktbeschreibung
Datenblätter
Veröffentlichungsdatum: 2024-02-22
| Aktualisiert: 2024-03-10
