onsemi NVH640S75L4SPx IGBT-Module
onsemi NVH640S75L4SPx IGBT-Module sind Automotive-Field-Stop-4(FS4)-Leistungsmodule der VE-Trac™ -Direct-Produktfamilie von hochintegrierten Leistungsmodulen. Diese Module werden bei 750 V und 640 A in einer einseitigen 6-Pack-Konfiguration mit direkter Kühlung betrieben. Dies bietet eine hohe Stromdichte und gleichzeitig eine robuste Kurzschluss-Sicherung und eine erhöhte Sperrspannung. Die NVH640S75L4SPx Module verfügen über eine extrem niedrige Streuinduktivität, einen Dauerbetrieb bei 175°C, schnelle Freilaufdioden-Chip-Technologien und ein isoliertes DBC-Substrat von 4,2 kV. Diese IGBT-Module sind einfach zu integrierende6-Pack-Topologie und sind bleifrei und RoHs-konform. Die NVH640S75L4SPx IGBT-Module erfüllen die Brennbarkeitsklasse UL 94 V-0. Diese IGBT-Module eignen sich für Traktionswechselrichter von Hybrid- und Elektrofahrzeugen und Hochleistungswandlern.Merkmale
- Direkte Kühlung mit integriertem Pin-Rippen-Kühlkörper
- Extrem niedrige Streuinduktivität
- Tjmax = 175 °C Dauerbetrieb
- Niedrige VCESAT und Schaltverluste
- AQG324-qualifizierter FS4-Schmal-Mesa-IGBT von 750 V
- Hochintegrierte 6-Pack-Topologie
Applikationen
- Traktionswechselrichter für Hybrid- und Elektrofahrzeuge
- Hochleistungswandler
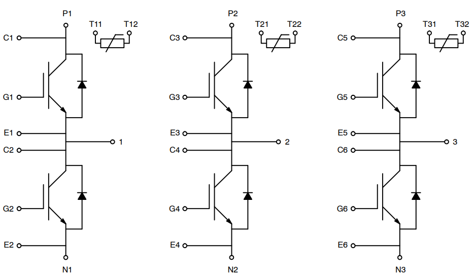
Kontaktbeschreibung
Datenblätter
Veröffentlichungsdatum: 2024-02-21
| Aktualisiert: 2024-03-10
