Microchip Technology MCP73871 Batterielademanagement-Controller
Microchip MCP73871 Batterielademanagement-Controller sind zur Bereitstellung einer vollständig integrierten, linearen Lösung für die Systemlastverteilung und das Li-Ion-Batterielademanagement ausgelegt. Diese Controller beziehen von einer einzelligen Li-Ionen-Batterie oder einer Eingangsstromquelle wie einem AC/DC-Wandadapter oder einem USB-Anschluss automatisch Strom für die Systemlast.Die MCP73871 Batterieladungsmanagement-Controller verwenden einen Konstantstrom-/Konstantspannungs-Ladealgorithmus (CC/CV) mit wählbarem Ladeanschlusspunkt. Die Konstantspannungsregelung ist mit vier verfügbaren Optionen fest eingestellt, einschließlich 4,10 V, 4,20V , 4,35 V oder 4,40 V, um neue und aufkommende Batterieladeanforderungen zu erfüllen. Die MCP73871 Controller begrenzen den Ladestrom auf Basis der Chiptemperatur bei hohen Umgebungsbedingungen oder hoher Leistung. Diese Controller verfügen über einen widerstandsprogrammierbaren Anschlusssollwert, eine Batteriezellen-Temperaturüberwachung, eine automatische Aufladung, eine automatische Ladeendsteuerung und eine Unterspannungssperre (UVLO).
Merkmale
- Integrierte Systemlastverteilung und Batterielademanagement
- Versorgt das System und lädt gleichzeitig die Lithium-Ionen-Batterie auf
- Die spannungsproportionale Stromsteuerung (VPCC) stellt sicher, dass die Systemlast Vorrang vor dem Ladestrom der Li-Ionen-Batterie hat
- Leistungspfadmanagement mit geringem Verlust und idealem Diodenbetrieb
- Kompletter linearer Lademanagement-Controller
- Integrierte Durchlasstransistoren
- Integrierte Strommessung
- Integrierter umgekehrter Entladungsschutz
- Wählbare Eingangsstromquellen: USB-Anschluss oder AC/DC-Netzteil zur Wandmontage
- Voreingestellte Ladespannungsoptionen mit hoher Genauigkeit
- 4,1 V, 4,2 V, 4,35 V oder 4,4 V
- ±0,5 % Regeltoleranz
- CC/CV-Betrieb mit Wärmeregulierung
- 1,8 A maximale gesamte Eingangsstromsteuerung
- 50 mA bis 1 A widerstandsprogrammierbarer Schnellladestrom
- Widerstandsprogrammierbarer Anschlusssollwert
- Automatische Aufladung
- Wählbare USB-Eingangsstromsteuerung
- Automatische Ladeschlusssteuerung
- Sicherheits-Timer mit Timer-Aktivierung/Deaktivierungssteuerung
- Vorkonditionierung für vollständig entladene Zellen von 0,1 C
- Batteriezellen-Temperaturüberwachung
- Unterspannungssperre (UVLO)
- Anzeige von niedrigem Batteriestand (LBO)
- Power-Good-Statusanzeige (PG)
- Ladezustands- und Fehleranzeigen
- Temperaturbereich von -40 °C bis 85 °C
Applikationen
- Globale Ortungssysteme (GPSs)/Navigationsgeräte
- Smartphones
- Tragbare Mediaplayer und MP3-Player
- Digitalkameras
- Bluetooth-Headsets
- Tragbare medizinische Geräte
- Ladestationen/Docking-Stationen
- Spielzeug
Applikations-Schaltung
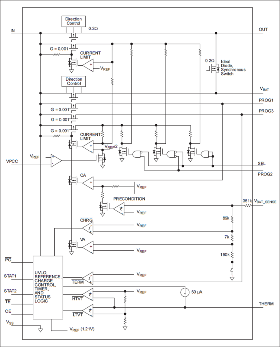
Blockdiagramm
Veröffentlichungsdatum: 2017-12-20
| Aktualisiert: 2024-12-26
