Diodes Incorporated AP53781 USB PD Dual-Role Power Regler
Der Diodes Inc. AP53781 USB Power Delivery (PD) Dual-Role-Leistungsregler (DRP) ist ein vollständig integrierter USB Type-C® PD3.2 DRP-Regler, der zur Unterstützung des erweiterten Leistungsbereichs (EPR)/der anpassbaren Spannungsversorgung (AVS) bis zu 28 V sowie des Standard-Leistungsbereichs (SPR) bis zu 21 V ausgelegt ist. Der AP53781 von Diodes Inc. fungiert als Verbraucher, indem er Strom von einem PD3.1-kompatiblen Adapter anfordert, und fungiert auch als Anbieter, um ein Gerät mit Typ-C-Anschluss (TCD) zu versorgen. Im EnergiesparModus verbraucht AP53781 genauso wenig Energie wie 50 µA und funktioniert ohne MCU. Im Verbraucher- Modus wird das gewünschte Request Data Object (RDO) mithilfe spezifischer Widerstandswerte an den Pins VSEL und ISEL ausgewählt, um die Zielspannung und den Zielstrom zu definieren. Im Provider- Modus wird die Power Data Object (PDO) Fähigkeit aus acht vordefinierten Leistungsprofilen über einen entsprechenden Widerstand am PDOSEL-Pin ausgewählt.Der AP53781 integriert Rp/Rd Endenabschluss Widerstände und DRP Steuerschalter. Die Bauteile unterstützt QC2.0/3.0 Protokolle und beinhaltet einen Dead-Battery -Modus, wenn sie als Ableitvorrichtung fungiert. Während des Betriebs Quelle steht eine VFB-Rückkopplungssteuerung für externe DC/DC -Controller zur Verfügung. Der Gerät arbeitet von 3,6 V nach 28 V unter Verwendung einer Low-Side Strommessungs- Topologie. Zu den weiteren Funktionen gehört ein Kurzschlussschutz zwischen dem Bauform Kanal (CC1/CC2) Pins und dem benachbarten Hochspannungs- Pins bis 34 V. Die integrierte FirmWare bietet umfassende Sicherheitsfunktionen, einschließlich Schutz vor Überspannung (OVP), Unterspannung (UVP) und Überstrom (OCP).
Merkmale
- Zertifiziert nach USB PD3.1 v1.8 mit TID: 11689
- Unterstützt autonome DRP-Steuerung
- Unterstützt EPR/AVS bis zu 28 V mit 100 mV/Schritt
- Unterstützt SPR bis zu 21 V
- Stromverbrauch im Ruhezustand von nur 50 µA
- Die PDO- Fähigkeit der Quelle wurde über die Einstellung des externen Widerstands ausgewählt.
- Ableitvorrichtung RDO- Spannung/-Stromstärke, ausgewählt über externe Widerstandseinstellungen
- Unterstützt QC2.0/3.0, entweder für die Ableitvorrichtung oder die Quelle
- Unterstützt Gate-Treiber für nMOS-VBUS- Leistungsschalter
- Unterstützt analoge VFB-Rückkopplung für externe DC/DC-Wandler
- Betriebsspannungsbereich von 3,6 V bis 28 V mit Strommessung an der Low-Side
- Unterstützt VBUS- und VOUT-Entladung
- Unterstützt den Modus für eine leere Batterie
- Unterstützt OVP/UVP/OCP mit automatischem Neustart
- Schutz gegen Kurzschluss von VBUS bis zu 34 V an den Pins CC1/CC2, bis zu 24 V an den Pins DP/DN
- Oberflächenmontierbares WQFN-16-Gehäuse
- Vollständig RoHS-konform und völlig bleifrei
- Gerät ohne Halogene und Antimon, umweltfreundliches Gerät
Applikationen
- Powerbanks (Ladegeräte)
- Elektrowerkzeuge
- Drahtlose Lautsprecher
- Elektrofahrräder
- POS- Anschlüsse
- Tragbare Displays
Technische Daten
- Versorgungsspannungsbereich von 3,6 V bis 28 V
- 2,5 mA Betriebsversorgungsstrom
- 3 V Betriebsversorgungsspannung
- Wärme-
- Widerstand von 31,3 °C/W von der Verbindung zum Gehäuse zur Umgebung
- Widerstand von 23,9 °C/W von der Verbindung zum Gehäuse (Oberseite) zum Gehäuse
- Widerstand von 11,5 °C/W von der Verbindung zum Gehäuse zur Platine
- 0,4 °C/W Kennwert für die Verbindung von Junction zu Top
- 11,3 °C/W Kennwert für die Verbindung von Junction zu Top
- 5,8 °C/W Widerstand von Junction zu Gehäuse (Boden)
- ESD-Bewertungen
- Maximales Human Body Model (HBM) von 2 kV
- 750 V maximaler CDM-Wert (CDM = Charged-Device Model)
- Betriebsumgebungstemperaturbereich von -40 °C bis +85 °C
- Betriebstemperatur-Verbindungsbereich zwischen -40 °C und +125 °C
- Maximale Löttemperatur für 10 s: +300 °C
Development Tool
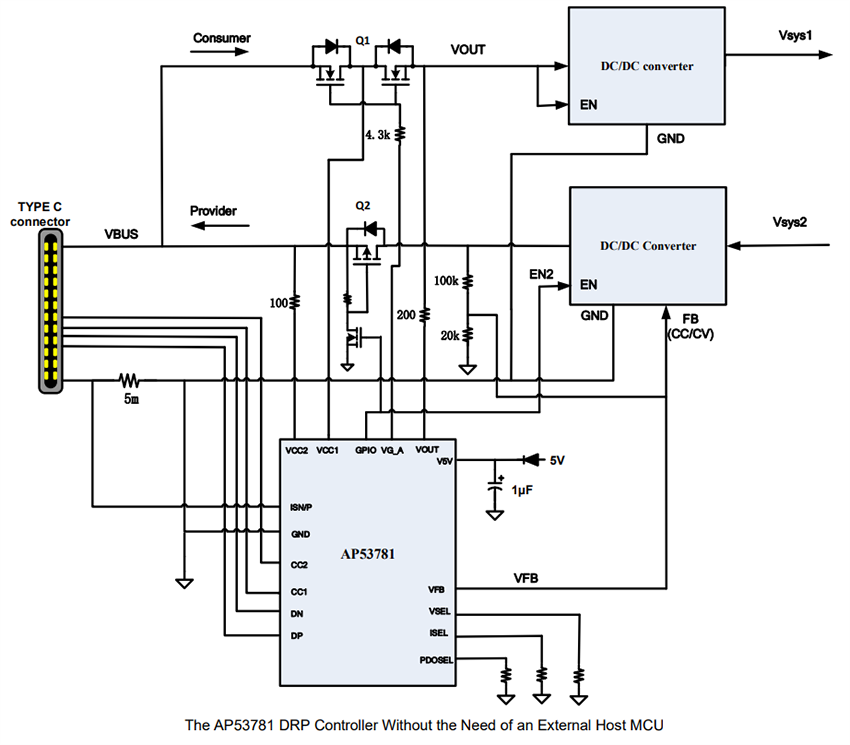
Typische Applikations-Schaltung
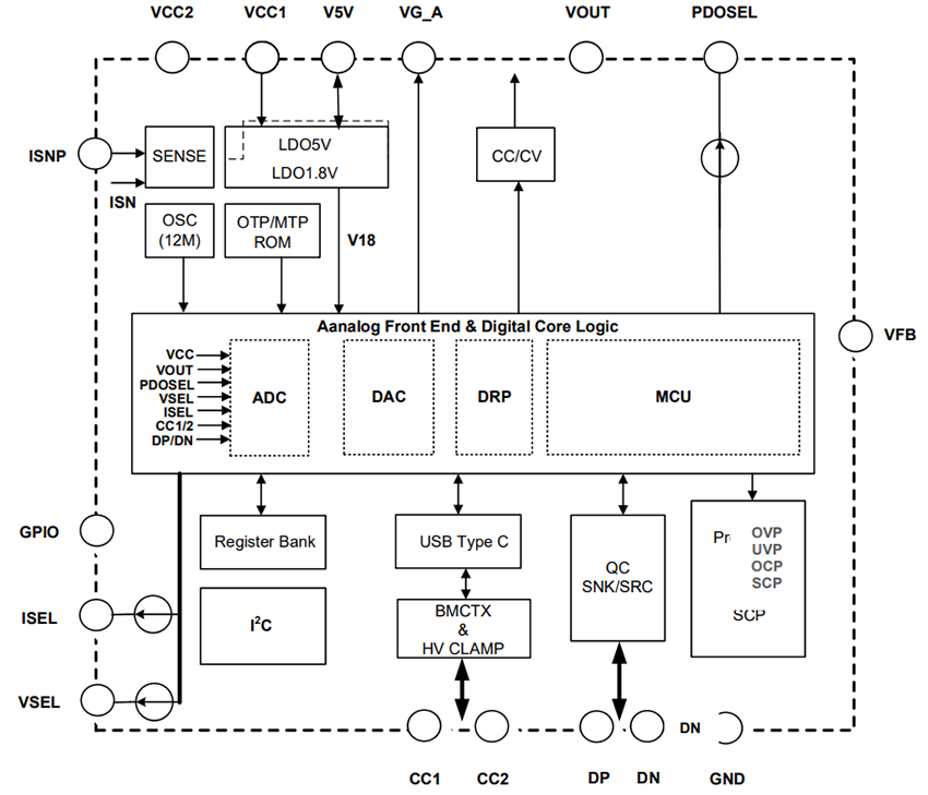
Funktionales Blockdiagramm
