Bourns PER35 Inkrementalring-Encoder mit langer Lebensdauer
Der Bourns PER35 Inkrementalring-Encoder mit langer Lebensdauer verfügt über einen Gehäusedurchmesser von 35 mm mit einer Schaltungskompatibilität von 10 mA bei 5 VDC und einem Dreihasen-Quadratur-Code-Ausgang. Der PER35 bietet eine haptische Einrastrückmeldung, eine Durchsteckmontageart und bietet eine Abdichtung der IP40-Schutzart. Das Bauteil mit niedrigem Profil bietet eine Ringschnittstelle, welche die Beleuchtung oder die Installation von weiteren Bauelementen in der Mitte ermöglicht. Zusätzliche Funktionen umfassen einen Drehzyklus von 50.000, einen Auflösungsbereich von 10 PPR und eine maximale Drehzahl von 60 U/min. Der PER35 Inkrementalring-Encoder mit langer Lebensdauer von Bourns verfügt über einen Betriebstemperaturbereich von -30 °C bis +80 °C. Zu den idealen Applikationen gehören professionelle Audio- und Beleuchtungsapplikationen, medizinische und Laborausrüstungen mit geringem/mittlerem Risiko sowie Industrieautomatisierungssteuerungen und weitere Applikationen, bei denen ein Menüauswahl-Encoder erforderlich ist.Merkmale
- Inkremental-Encoder mit niedrigem Profil und einem Gehäusedurchmesser von 35 mm
- THT-Montageart
- Haptische Einrastrückmeldung
- Abdichtung gemäß IP40-Schutzart
- RoHS-konform
Applikationen
- Professionelle Lichtorgeln
- Verbraucher-Weißware
- Medizintechnik- und Diagnosegeräte mit geringem/mittlerem Risiko
- Prüf- und Messgeräte
- Kommunikationsgeräte
- Laborausrüstung
- Industrieautomatisierungssteuerungen
Technische Daten
- Lebensdauer von 50.000 Umdrehungszyklen
- Auflösungsbereich: 10 PPR
- Maximale Drehzahl: 60 U/min
- Schaltungskompatibilität: 10 mA bei 5 VDC
- 3-Phasen-Quadratur-Code-Ausgang
- Betriebstemperaturbereich: -30 °C bis +80 °C
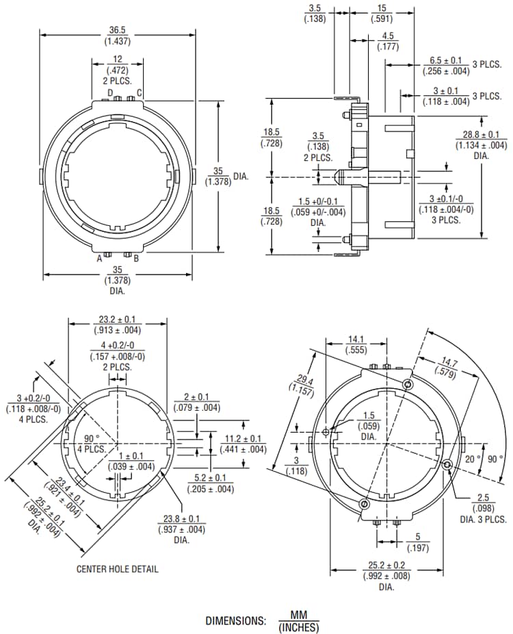
Abmessungen
Veröffentlichungsdatum: 2021-04-28
| Aktualisiert: 2022-03-11
