Bourns PER21 Inkrementalring-Encoder mit langer Lebensdauer

Der Bourns PER21 Inkrementalring-Encoder mit langer Lebensdauer verfügt über einen Gehäusedurchmesser von 21 mm mit einer Schaltleistung von 10 mA bei 5 VDC und einem 2-Bit-Quadratur-Code-Ausgang. Der PER21 bietet eine haptische Einrastrückmeldung, eine Durchsteckmontage und eine erstklassige Rotationscharakteristik. Der PER21 Inkrementalring-Encoder mit langer Lebensdauer von Bourns verfügt über einen Betriebstemperaturbereich von -10 °C bis +60 °C. Zu den typischen Applikationen gehören professionelle Audio-Anlagen, Medizintechnik- und Diagnosegeräte mit geringem/mittlerem Risiko, Verbraucher-Weißware und Industrieautomatisierungs-Steuerungen.

Merkmale

  • Inkremental-Encoder mit niedrigem Profil
  • Erstklassige Rundlaufeigenschaften
  • Durchsteckmontageart
  • Haptische Einrastrückmeldung
  • RoHs-konform

Applikationen

  • Professionelle Audioausrüstungen
  • Professionelle Lichtorgeln
  • Verbraucher-Weißware
  • Medizintechnik- und Diagnosegeräte mit geringem/mittlerem Risiko
  • Prüf- und Messgeräte
  • Kommunikationsgeräte
  • Laborausrüstung
  • Industrieautomatisierungssteuerungen

Technische Daten

  • Lebensdauer von 50.000 Umdrehungszyklen
  • Maximale Drehzahl: 60 U/min
  • Schaltleistung: 10 mA bei 5 VDC
  • 2-Bit-Quadratur-Code-Ausgang
  • Betriebstemperaturbereich: -10 °C bis +60 °C
  • Lagertemperaturbereich: -40 °C bis +85 °C

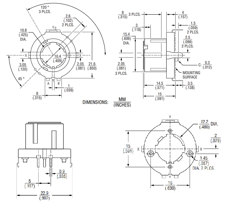
Technische Zeichnung

Technische Zeichnung - Bourns PER21 Inkrementalring-Encoder mit langer Lebensdauer
Veröffentlichungsdatum: 2021-07-29 | Aktualisiert: 2022-03-11