Analog Devices / Maxim Integrated MAX17263G Evaluierungskit
Das Maxim Integrated MAX17263G Evaluierungskit ist eine vollständig bestückte und getestete PCB zur Oberflächenmontage, welche die eigenständigen, hostseitigen ModelGauge™-m5-Ladezustandsanzeige-ICs evaluiert. Diese Kit enhält die Maxim DS91230+ USB-Schnittstelle, das IC-Evaluierungsboard und ein RJ-11-Verbindungskabel. Das MAX17263G Kit benötigt Windows ® 7 oder ein neueres Betriebssystem zur Verwendung mit der grafischen Benutzeroberfläche-Software. Dieses Evaluierungsboard verfügt über ein On-Board-LED-Array, ein Thermistor-Messnetzwerk, einen optionalen On-Board-PCB-Trace-Messwiderstand und ein bewährtes PCB-Layout.Merkmale
- ModelGauge-m5-Algorithmus
- Überwacht Einzellen- oder Mehrzellen-Akkus
- On-Board-LED-Array
- Thermistor-Messnetzwerk
- Optionaler On-Board-PCB-Trace-Messwiderstand
- Windows 7 oder eine neuere kompatible Software
- Bewährtes PCB-Layout
- Vollständig bestückt und getestet
- Erforderliche Ausrüstung:
- MAX17263G EV-Kit
- Lithium-Akku mit der gewünschten Konfiguration
- Ladegerät oder Netzteil
- Lastschaltung
- DS91230+ USB-Adapter
- RJ-11 Modularkabel mit umgekehrter Polarität und 6 Positionen
- PC mit Windows 7- oder ein neueres Windows-Betriebssystem und USB-Anschluss
Erforderliche Ausrüstung
- MAX17263GEVKIT evaluation kit
- A lithium battery pack of the desired configuration
- Battery charger or power supply
- Load circuit
- DS91230+ USB adapter
- RJ-11 6pos reverse modular cord
- PC with Windows 7 or newer Windows operating system and USB port
Videos
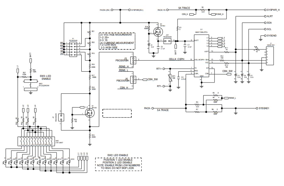
MAX17263G Board - Applikations-Schaltungs-Diagramm
MAX17263G Board Schaltplan
Veröffentlichungsdatum: 2018-08-19
| Aktualisiert: 2023-04-25
