Analog Devices Inc. LTC7893 synchrone Aufwärtsregler
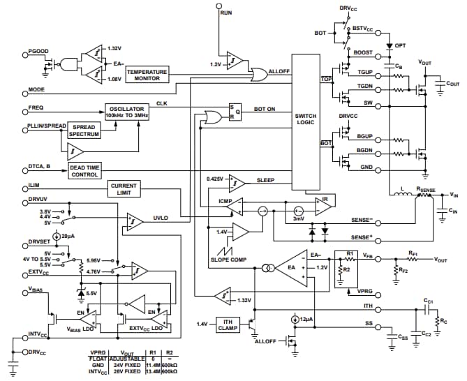
Analog Devices Inc. LTC7893 synchrone Aufwärts-Controller sind leistungsstarke DC/DC- und Schaltregler. Diese Controller steuern alle n-Kanal-Synchron-Galliumnitrid (GaN) -Feldeffekttransistor- (FET) -Leistungsstufen von Ausgangsspannungen bis zu 100 V an. Die LTC7893 Controller benötigen keine Schutzdioden und zusätzliche Externe Komponenten. Die Gate-Treiber-Spannung dieser Controller kann von 4 V bis 5,5 V genau angepasst werden, um die Leistung zu optimieren. Die LTC7893 Controller können nach der Inbetriebnahme von einer Eingangsversorgung so niedrig wie 1 V betrieben werden, wenn sie vom Aufwärtswandler-Reglerausgang vorgespannt sind.Die LTC7893 Controller verfügen über einen 15 μA niedrigen IQ -Betrieb, einen programmierbaren Frequenzbereich von 100 kHz bis 3 MHz, eine Frequenzspreizungsmodulation und einen synchronisierbaren Frequenzbereich von 100 kHz bis 3 MHz. Diese Controller sind in einem seitenbenetzbaren 28-lead-QFN-Gehäuse (4 mm x 5 mm) verfügbar. Die LTC7893 Controller werden in Telekommunikations-Leistungssystemen, medizinischen Systemen, militärischen Avionik und Fahrzeuganwendungen verwendet.
Merkmale
- GaN-Treiber-Technologie, die für GaN-FETs vollständig optimiert ist
- Bis zu 100 V Ausgangsspannung
- 15 μA Niedriger IQ -Betrieb
- Programmierbarer Frequenzbereich: 100 kHz bis 3 MHz
- Synchronisierbarer Frequenzbereich: 100 kHz bis 3 MHz
- Großer VIN -Bereich von 4 V bis 60 V und wird nach der Inbetriebnahme bis hinunter zu 1 V betrieben
- Keine Schnapp-, Klemm- oder bootstrap-Dioden erforderlich
- Widerstandseinstellbare Totzeiten
- Interne Smart-Bootstrap-Schalter verhindern eine Überladung der high-side-Treiberversorgung
- Gate-Treiber mit geteiltem Ausgang für einstellbare Einschalt- und Ausschalttreiberstärken
- Genaue einstellbare Treiberspannung und Unterspannungssperre (UVLO)
- Frequenzspreizungsmodulation
- Seitlich benetzbares 28-lead-QFN-Gehäuse (4 mm x 5 mm)
- AEC-Q100-qualifiziert für Fahrzeuganwendungen
Applikationen
- Leistungssysteme für Telekommunikation
- Automotive- und Industrie-Leistungssysteme
- Militär/Avionik
- Medizinische Systeme
Blockdiagramm
Typisches Applikationsdiagramm
Veröffentlichungsdatum: 2025-01-28
| Aktualisiert: 2025-02-21
