Analog Devices Inc. LT8609 DC2958A-A/B/C-Demonstrationsboards
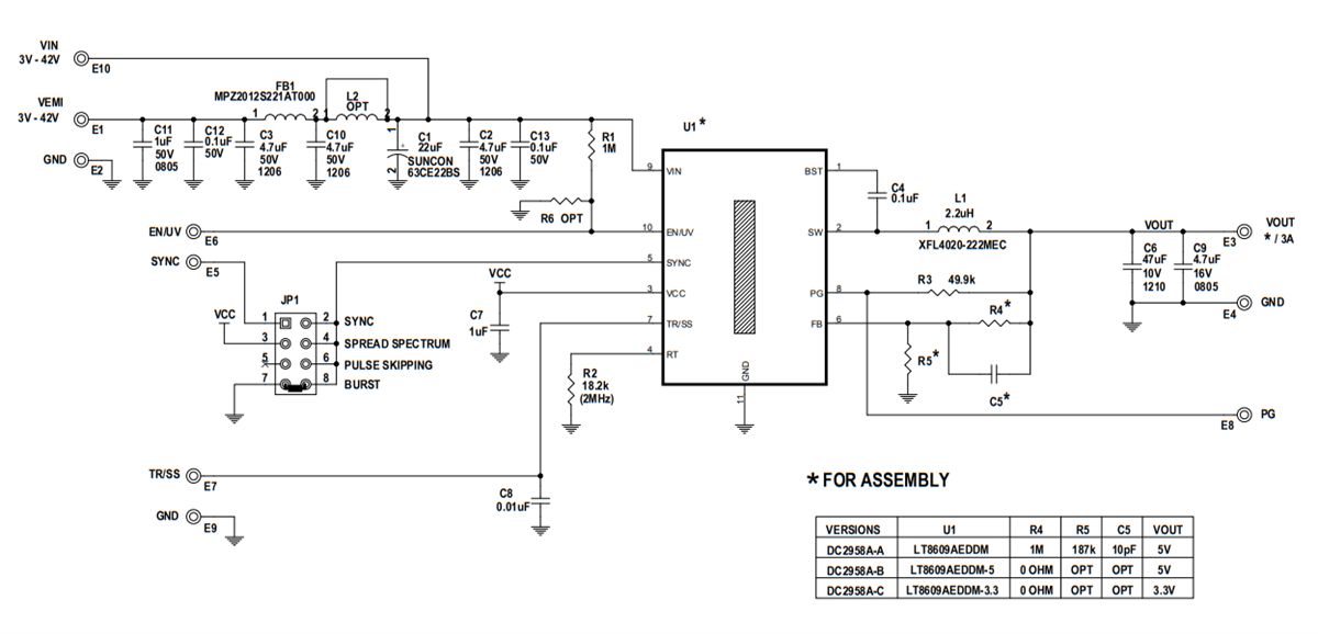
Analog Devices Inc. LT8609 DC2958A-A/B/C-Demonstrationsboards sind zur Evaluierung der LT8609A/09A-5/09A-3.3 synchronen Micropower-Abwärtsregler ausgelegt. Das DC2958A-A ist für den LT8609A einstellbaren Ausgang und das DC2958A-B für den LT8609A-5 mit einer festen Ausgangsspannung von 5 V ausgelegt. Das DC2958A-C ist für den LT8609A-3.3 mit einer festen Ausgangsspannung von 3,3 V ausgelegt. Diese Demonstrationsboards sind für einen Ausgang von 5 V oder 3,3 V mit einem Eingang von bis zu 42 V ausgelegt. Die DC2958x Demonstrationsboards werden mit Eingangsspannungen von nur 3 V für den Betrieb im Drop-Out-Modus betrieben. Die Ausgangsspannung liegt unter dem Regelungspunkt und folgt der Eingangsspannung im Drop-Out-Modus. Diese Demonstrationsboards verfügen über einen EMI-Filter. Der große Eingangsbereich ermöglicht dem Board die Nutzung verschiedener Eingangsquellen, wie z. B. Fahrzeugbatterien und Industrienetzteile.Merkmale
- Drei Baugruppenausführungen sind verfügbar:
- Das DC2958A-A ist für den LT8609A mit einstellbarem Ausgang ausgelegt
- Das DC2958A-B ist für den LT8609A-5 mit einer festen Ausgangsspannung von 5 V ausgelegt
- Das DC2958A-C ist für den LT8609A-3.3 mit einer festen Ausgangsspannung von 3,3 V ausgelegt
- Für einen Ausgang von 5 V oder 3,3 V mit einem Eingang von bis zu 42 V ausgelegt
- Ein großer Eingangsbereich ermöglicht verschiedene Eingangsquellen
- EMI-Filter installiert
- Typische Schaltfrequenz (fsw): 2 MHz
Applikationen
- GSM transceivers
- General purpose step-down
- Low EMI step-down
Leistungsdiagramm
Schaltplan-Diagramm
Veröffentlichungsdatum: 2020-12-28
| Aktualisiert: 2024-12-13
