Vishay DGQ405x Analoge Multiplexer
Die DGQ405x analogen Multiplexer von Vishay umfassen DGQ4051E, DGQ4052E und DGQ4053E analogen CMOS-Multiplexer mit hoher Genauigkeit. Der DGQ4051E ist ein 8-Kanal-Multiplexer, der DGQ4052E ist ein Dual-Vierkanal-Multiplexer und der DGQ4053E ist ein Dreifach-Zweikanal-Multiplexer oder Dreifach-SPDT. Der DGQ405x bietet niedrige Ableitströme, parasitäre Kapazität und niedrige Ladungsinjektion von 0,3 pC über den gesamten Spannungsbereich. Diese Bauteile eignen sich hervorragend für hochpräzise Signalschaltung und Multiplexing.Die Vishay DGQ405x wurden für den Betrieb von einer Einzelversorgung von 3 V bis 16 V oder von einer Dual-Versorgung von ±3 V bis ±8 V entwickelt und sind vollständig für 3 V, 5 V, 12 V und ±5 V spezifiziert. Alle Steuerlogikeingänge gewährleisten eine hohe 2 V-Logikgrenze beim Betrieb von 5 V oder ±5 V Versorgungen und 1,4 V von einer 3 V-Versorgung. Alle Schalter leiten in beide Richtungen gleichermaßen gut, bieten eine analoge Rail-to-Rail-Signalschaltung und können sowohl als Multiplexer als auch Demultiplexer verwendet werden.
Die DGQ4051E, DGQ4052E und DGQ4053E verfügen über eine Betriebstemperatur von -40 °C bis +125 °C und sind in einem 16-pin-TSSOP-Gehäuse erhältlich.
Merkmale
- Automobilprodukt nach AEC-Q100 qualifiziert (Klasse 1)
- Spezifiziert von -40 °C bis +85 °C und von-40 °C bis +125 °C
- 3 V bis 16 V Einzel- oder ±3 V bis ±8 V Dual-Versorgungsbetrieb
- Niedrige parasitäre Kapazität:
- CD (ON) bei 8,5 pF typ. (DGQ4053E)
- CS (Aus) bei 2,0 pF typ. (DGQ4053E)
- Weniger als 0,3 pC Ladungsinjektion über den gesamten Signalschwingungsbereich
- < 50 pA, typ. Niedriger Ableitstrom
- 35 ns, typ. Schnelles Schalten TON
- 3 V Logik-kompatibel für die Steuerung
- Bidirektionale Rail-to-Rail-Signalschaltung
Applikationen
- Fahrzeugbatterie-Managementsysteme
- Fahrzeug-Infotainment und -Telematik
- Analoges und digitales Signal-Multiplexing/Demultiplexing im Fahrzeugbau
Technische Daten
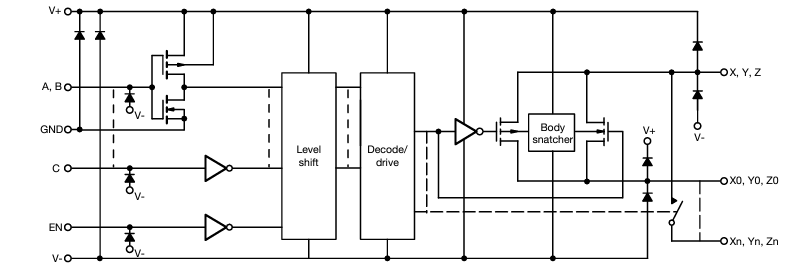
Blockdiagramm & Pinbelegung
SCHALTPLAN
Veröffentlichungsdatum: 2024-10-31
| Aktualisiert: 2024-11-15
