Vishay / Siliconix DG406/DG407 CMOS-Analog-Multiplexer
Die Hochleistungs-CMOS-Analog-Multiplexer DG406 und DG407 von Vishay/Siliconix eignen sich hervorragend für die Hochgeschwindigkeits-Datenerfassung, Audio-Signal-Schaltung/-Routing, ATE-Systeme und Avionik. Aufgrund der hohen Leistungsfähigkeit und der geringen Verlustleistung eignen sich diese Bauteile für batteriebetriebene und ferngesteuerte Messgeräte-Applikationen. Der DG406 ist ein einendiger 16-Kanal-Analog-Multiplexer, der entwickelt wurde, um einen von 16 Eingängen mit einem gemeinsamen Ausgang zu verbinden, der von einer binären 4-Bit-Adresse bestimmt wird. Der DG407 wählt einen von acht differentiellen Eingängen zu einem gemeinsamen differentiellen Ausgang aus. Die Unterbrechungsschaltung schützt vor kurzzeitigem Kurzschluss der Eingänge.Ein on-Kanal leitet Strom in beide Richtungen gleichermaßen gut. Jeder Kanal blockiert Spannungen bis zu den Stromversorgungsschienen im AUS-Zustand. Eine Freigabefunktion (EN) ermöglicht es dem Benutzer, den multiplexer/demultiplexer auf alle Schalter zurückzusetzen, um mehrere Bauteile zu stapeln. Alle Steuereingänge, Adresse (Ax) und Freigabe (EN) sind über den gesamten spezifizierten Betriebstemperaturbereich TTL-kompatibel.
Die absolute maximale Nennspannung wurde im 44-V-Silizium-Gate-CMOS-Prozess auf 44 V erweitert und ermöglicht den Betrieb mit ±20-V-Versorgungen. Darüber hinaus ist ein einzelner (12 V) Versorgungsbetrieb zulässig. Eine epitaktische Schicht verhindert Latch-up.
Merkmale
- Höhere Genauigkeit
- Geringere Störungen
- Verbesserter Datendurchsatz
- Niedriger Stromverbrauch von 0,2 mW, reduzierter Stromverbrauch
- Erhöhte Robustheit
- Einzelversorgungskapazität, 44 V maximale Nennversorgung
- Breiter ±5 V- bis ±20 V-Versorgungsbereich
- Niedriger 50 Ω Einschaltwiderstand [RDS (on)]
- Niedrige Ladungsinjektion von 15 pC
- Schnelle 200-ns-Übergangszeit (tTRANS)
- 30 mA Strom (beliebiger Anschluss)
- -40 °C bis +85 °C Betriebstemperaturbereich
- 28-Pin-PLCC- oder Widebody-SOIC-Gehäuseoptionen
- Halogenfrei
- Bleifreie und RoHS-konforme Optionen erhältlich
Applikationen
- Datenerfassungssysteme
- Audio-signal-routing
- Medizinische Messgeräte
- ATE-Systeme
- Batteriebetriebene Systeme
- Systeme mit hoher Zuverlässigkeit
- Einzelversorgungssysteme
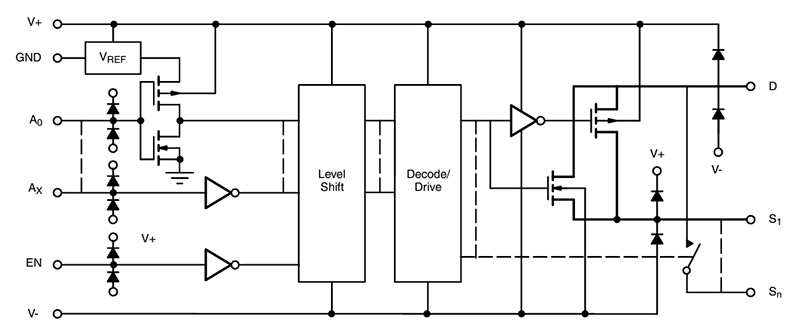
Blockdiagramm/Pin-Konfigurationen
Schaltschema
Veröffentlichungsdatum: 2024-11-23
| Aktualisiert: 2024-12-04
