Vishay / Siliconix DG2519E Duale SPDT-Analogschalter mit hoher Bandbreite
Die Hochbandbreiten-Analogschalter mit zwei einpoligen Umschaltern (SPDT) DG2519E von Vishay/Siliconix sind monolithische CMOS-SPDT-Analogschalter, die speziell für Anwendungen mit niedriger Spannung und hoher Bandbreite entwickelt wurden. Der on-Widerstand, die Anpassung und die Flachheit des DG2519E sind über den gesamten analogen Spannungsbereich garantiert. Eine breite dynamische Leistung wird bei -61 dB (typisch) für Nebensignaleffekt und off-Isolierung bei 1 MHz erreicht. Die SPDTs arbeiten mit unabhängiger Steuerlogik, leiten in beide Richtungen gleichermaßen gut und blockieren Signale bis zum Stromversorgungspegel im ausgeschalteten Zustand. Ein Break-before-make ist garantiert. Mit schnellen Schaltgeschwindigkeiten, niedrigem on-Widerstand, hoher Bandbreite und niedriger Ladungsinjektion eignen sich die DG2519E-Bauteile hervorragend für Audio- und Video-Schaltungen mit hoher Linearität. Der DG2519E basiert auf der Niederspannungs-CMOS-Technologie von Vishay/Siliconix und enthält eine epitaktische Schicht, die ein Latch-up verhindert.Merkmale
- Verringerter Stromverbrauch
- Hohe Genauigkeit
- Reduzierter Platinenplatz
- kompatibel mit Niederspannungs-Logikschaltung
- Hohe Bandbreite
- Einzelversorgungsbetrieb: 1,8 V bis 5,5 V
- Niedriger 2,5 Ω on-Widerstand (RON)
- -61 dB Nebensignaleffekt- und Off-Isolierung bei 1 MHz
- MSOP-10- und DFN-10-Gehäuseoptionen
- Bleifrei, halogenfrei, RoHS-konform
Applikationen
- Mobiltelefone
- Lautsprecher-Kopfhörerschaltung
- Audio- und Video-Signal-Routing
- PCMCIA-Karten
- Niederspannungs-Datenerfassung
- ATE
Technische Daten
- ±50 mA Maximaler Dauerstrom (beliebiger Anschluss)
- ±200 mA Maximaler Spitzenstrom (gepulst bei 1 ms, 10 % Tastverhältnis)
- Maximaler Leistungsverlust
- 320 mW für MSOP-10
- 1191mW für DFN-10
- 300 mA maximales latch-up
- 2,7 V bis 3,3 V Stromversorgungsbereich
- 1 μA Maximaler Versorgungsstrom
- Maximale ESD-Werte
- 7,5 kV Human-Body-Modell (HBM)
- 1,5 kV Charged-Device-Model (CDM)
- -40 °C bis +85 °C Betriebstemperaturbereich
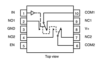
Blockdiagramm/Pinbelegung
Veröffentlichungsdatum: 2024-11-22
| Aktualisiert: 2024-12-20
