Vishay / Barry Industries ATC 3-Sided Wraparound-Chip-Dämpfer
Die ATC 3-Sided Wraparound-Chip-Dämpfer von Vishay/Barry Industries bieten eine stabile DC- bis 5 GHz-Dämpfungsleistung, Dämpfungswerte von 0 bis 30 dB und Nennleistungen von 5 W bis 30 W. Diese Dämpfer verfügen über Wraparound-Kronenanschlüsse und werden in den Größen 2010 und 2525 angeboten. Drei Substratoptionen sind verfügbar: Aluminiumoxid, AlN oder BeO. Mehrere Substratoptionen stellen sicher, dass verschiedene Leistungsanforderungen erfüllt werden können. Verschiedene Anschlussmetallisierungsoptionen sind verfügbar, um verschiedene Applikationsanforderungen zu erfüllen. Die ATC-Dämpfer von Vishay/Barry Industries eignen sich für Militär-, Luft- und Raumfahrtradar, Funkkommunikation, Basisstationen und Satellitenkommunikationssysteme.Merkmale
- Anschlussmaterial: Mattverzinnung über NICKEL über Silber
- Mit Lötzinn montierbar
- Robuste Dickfilmkonstruktion
- RoHS-konform
Applikationen
- Luft- und Raumfahrt und Militär-RADAR
- Funkkommunikationssysteme für Luft- und Raumfahrt und Militär
- Elektronische Kriegsführungssysteme für Luft- und Raumfahrt und Militär
- Satellitengestützte Kommunikationssysteme
- Basisstationen
- Prüf- und Messsysteme
Technische Daten
- Gehäusegrößen: 2010, 2525
- Dämpfungsbereich: 0 bis 30 dB
- 5 W bis 30 W W Leistungsbereich
- Al2O3 (Aluminiumoxid), AlN- und BeO-Substrat-Optionen
- DC bis 5 GHz Betriebsfrequenzbereich
- -55 °C bis +155 °C Temperaturbereich
- 3-sided Wraparound-Kronenanschluss
Leistungsabfallkurve
Schaltplan
Konfiguration
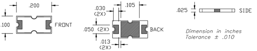
Abmessungen
Weitere Ressourcen
Veröffentlichungsdatum: 2022-09-26
| Aktualisiert: 2024-12-31
