Toshiba TB67B054TG Brushless Motor Controller

Toshiba TB67B054TG Brushless Motor Controller is a PWM three-phase full wave device. This brushless motor controller is developed for three-phase brushless DC motors of motor fans. The TB67B054TG motor controller features a triangular wave generator which provides a carrier frequency necessary for PWM generation. This motor controller operates at a typical 15V supply voltage and an oscillation frequency of 4.5MHz. The TB67B054TG motor controller also features an internal voltage regulator circuit with a 5V output and 30mA output current.

Features

  • Sine-wave PWM control
  • Triangular-wave generator
  • Lead angle control (0° to 58° in 32 separate steps)
  • Current-limiting input pin
  • Internal voltage regulator circuit

Specifications

  • 15V typical operating supply voltage
  • 6V to 16.5V operating supply voltage range
  • 3MHz to 6MHz oscillation frequency
  • 4.1W maximum power dissipation
  • 5mA typical supply current, 8mA maximum
  • 2mA maximum commutation output current
  • 10µA maximum output leakage current
  • 0.46V to 0.54V current sensing
  • 16.2kHz to 22kHz PWM oscillation frequency range
  • 89% to 95% maximum conduction duty cycle range
  • -30°C to +115°C operating temperature range

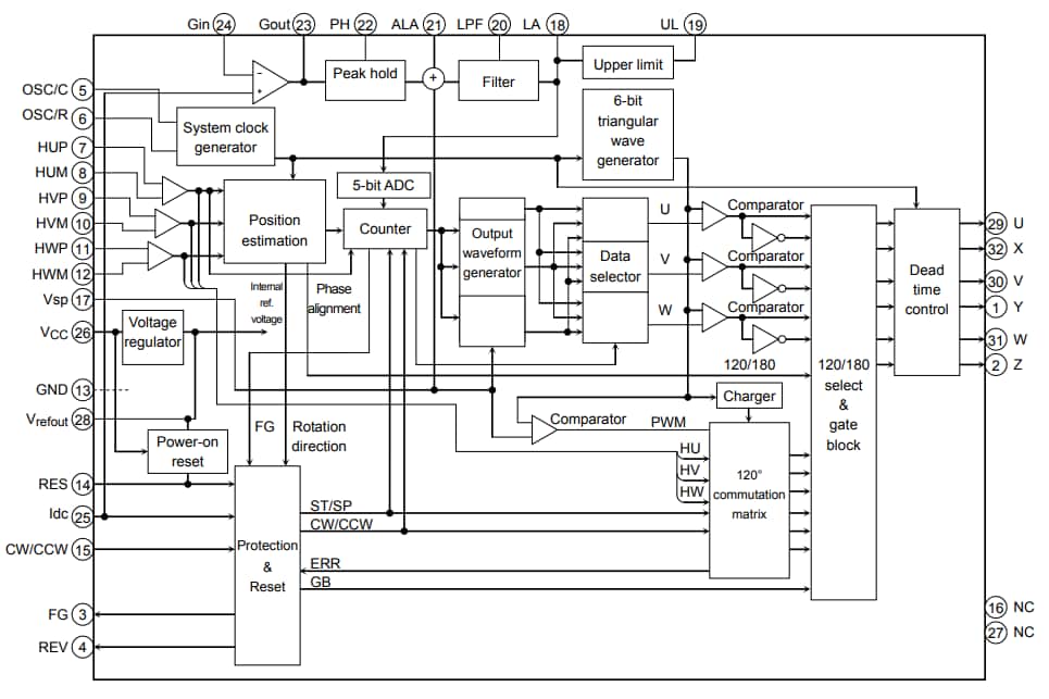
Block Diagram

Block Diagram - Toshiba TB67B054TG Brushless Motor Controller
Veröffentlichungsdatum: 2018-04-18 | Aktualisiert: 2023-02-13