Torex Semiconductor XCL241/XCL242 Step-Down Micro DC/DC Converters
Torex Semiconductor XCL241/XCL242 Step-Down Micro DC/DC Converters feature HiSAT-COT® control, a proprietary high-speed transient response technology for DC/DC converters that minimizes output voltage during load fluctuations. XCL241/XCL242 is ideal for applications with sizeable instantaneous load fluctuations, such as FPGAs and equipment that require a stable output voltage. The Torex Semiconductor XCL241 and XCL242 devices are 500mA synchronous devices with an integrated inductor and control IC in a tiny 2.5mm x 2.0mm x 1.04mm (LxWxH) package. An internal coil simplifies the circuit and minimizes noise and other operational troubles due to the circuit wiring. The output voltage is internally set from 0.8V to 3.6V in 0.05V increments.Features
- 2.5V to 5.5V input voltage range
- Output voltage ranges
- 0.80V to 1.00V (±20mV)
- 1.05V to 3.60V (±2.0%)
- 500mA output current
- 1.2MHz oscillation frequency
- 92% efficiency (VIN=3.8V, VOUT=1.8V, IOUT=200mA)
- 15μA quiescent current (XCL242)
- Control methods
- HiSAT-COT control
- PWM control (XCL241)
- PWM/PFM auto (XCL242)
- Ceramic input/output capacitor
- Protection functions
- Thermal shutdown
- Current limit
- Short protection
- Functions
- Soft-start
- UVLO
- CL discharge
- -40°C to +105°C operating ambient temperature range
- CL-2025-02 package, 2.5mm x 2.0mm x 1.04mm
- Lead-free and RoHS-compliant
- Green operation compatible
Applications
- Communication equipment and modules (BLUETOOTH®/Wi-Fi/GPS etc.)
- Power supplies for MCU/FPGA/ASIC (POL power supplies)
- Smartphones and mobile phones
- DSC and camcorders
- Portable game consoles
- Wearable devices
- Active cables and active optical cables
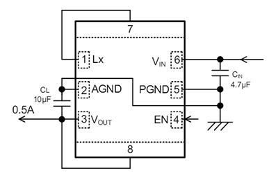
Typical Applications Circuit
Block Diagram
Veröffentlichungsdatum: 2024-07-02
| Aktualisiert: 2024-07-15
