Texas Instruments UCC28750EVM Evaluierungsmodul
Das Texas Instruments UCC28750EVM Evaluierungsmodul ist für die Evaluierung eines Offline-AC-DC-Sperrwandlers ausgelegt. Dieses Evaluierungsmodul verwendet den UCC287502 Konstantspannungs-Flyback-Controller mit optogekoppelter Rückkopplung in einem 60-W-Wandler, um 2,5 A mit konstantem Ladestrom bereitzustellen. Das Evaluierungsmodul UCC28750EVM verfügt über einen Eingangsspannungsbereich von 85 VRMS bis 265 VRMS und wandelt diesen in 24 V DC um, der eine Ausgangsleistung von 60 W liefern kann. Der UCC28750EVM-071 ist für Evaluierungszwecke gedacht und nicht als Endprodukt vorgesehen. Dieses Modul wird in isolierten Offline-AC/DC-Netzteilen, Batterieladegeräten, industriellem AC/DC für Netzinfrastrukturen, Fernsehern, Druckern, Stromzählern, Haushaltsgeräten und Mikro-Wechselrichtern verwendet.Merkmale
- Zur Evaluierung des UCC28750 Current-Mode-Flyback-Controllers ausgelegt
- Geregelter 24 VDC ±5 %
- Kann 60 W liefern
- Breiter Eingangsspannungsbereich von 85 VRMS bis 265 VRMS
- Maximaler Lastwirkungsgrad von >90 %
Applikationen
- Isolierte Offline-AC/DC-Netzteile
- Industrieller AC/DC für Netzinfrastruktur und Geräte
- Audio, Drucker, Fernseher und Set-Top-Box offline AC/DC
- Merchant-DIN-Schienen-Netzteil und Server-Netzteil
- Akkuladegeräte
- Stromzähler
- Stringwechselrichter und Mikrowechselrichter
- Kleine Haushaltsgeräte und AC-Innen-/Außengeräte
Testkonfigurationsdiagramm
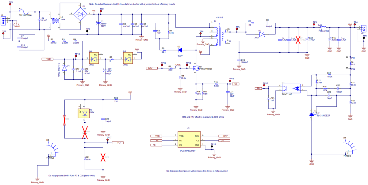
Schaltplan
Veröffentlichungsdatum: 2024-01-12
| Aktualisiert: 2024-02-15
