Texas Instruments UCC27289 120-V-Halbbrücken-Treiber

Texas Instruments UCC27289 120-V-Halbbrücken-Treiber sind robuste n-Kanal-MOSFET-Treiber mit einer maximalen Schaltknoten(HS)-Nennspannung von 100 V. Diese Bausteine ermöglichen die Ansteuerung von zwei n-Kanal-MOSFETs in Halbbrücken- oder synchronen Abwärtskonfigurations-Topologien.

Die UCC27289 Treiber von TI bieten einen Spitzen-Senkenstrom von 3,5 A, Spitzenquellenstrom von 2,5 A und einen niedrigen Pull-up- und Pull-Down-Widerstand. Diese Eigenschaften unterstützen die Ansteuerung von Hochleistungs-MOSFETs mit minimalen Schaltverlusten während des Miller-Plateau-Übergangs des MOSFET. Der UCC27289 kann mit analogen und digitalen Steuerungen verwendet werden, da die Eingänge unabhängig von der Versorgungsspannung sind. Zwei Eingänge sind vollständig voneinander unabhängig, wodurch sich bei Bedarf zwei Ausgänge durch überlappende Eingänge überlappen lassen. Die Aktivierungs- und Deaktivierungsfunktion bietet zusätzliche Systemflexibilität, indem sie den Stromverbrauch des Treibers reduziert und auf Fehlerereignisse innerhalb des Systems reagiert.

Zu den Schutzfunktionen gehört eine Unterspannungsabschaltung (UVLO) sowohl für die High-Side- als auch für die Low-Side-Treiberstufen, welche die Ausgänge auf niedrig schalten, wenn die VDD-Spannung unter dem festgelegten Schwellenwert liegt. Eine integrierte Bootstrap-Diode macht in vielen Applikationen eine externe diskrete Diode überflüssig, was Platz auf dem Board spart und die Systemkosten reduziert. Der UCC27289 ist in mehreren Gehäusen verfügbar, um Systemanforderungen, wie z. B. Robustheit in rauen Umgebungen und Dichte in kompakten Applikationen, zu erfüllen.

Merkmale

  • Steuert zwei n-Kanal-MOSFETs in High-Side- und Low-Side-Konfiguration
  • Aktivieren/Deaktivieren von Funktionen im DRC-Gehäuse
  • Geringer Stromverbrauch (7 μA), wenn deaktiviert
  • Typische Laufzeitverzögerung von 16 ns
  • Anstiegszeit von 12 ns, Abfallzeit von 10 ns mit einer Last von 1.800 pf (typisch)
  • Verzögerungsanpassung: 1 ns (typisch)
  • Integrierte 100-V-Bootstrap-Diode
  • Unterspannungssperre: 8 V (typisch)
  • Absolute maximale negative Spannungsbehandlung auf den Eingängen (-5 V)
  • Absolute maximale negative Spannungsbehandlung auf HS (-14 V)
  • Ausgangsströme von 3,5 A Senke, 2,5 A Quelle
  • Absolute maximale Boot-Spannung von 120 V
  • Die Eingänge sind unabhängig voneinander, und VDD
  • Unterspannungsperre für beide Kanäle
  • Spezifiziert für eine Sperrschichttemperatur von -40 °C bis +140 °C

Applikationen

  • Händlernetzwerk und Server-PSU
  • Merchant-Telekommunikationsgleichrichter
  • DC-Eingangs-BLDC-Motorantrieb
  • Solar-Mikroinverter
  • Test- und Messgeräte

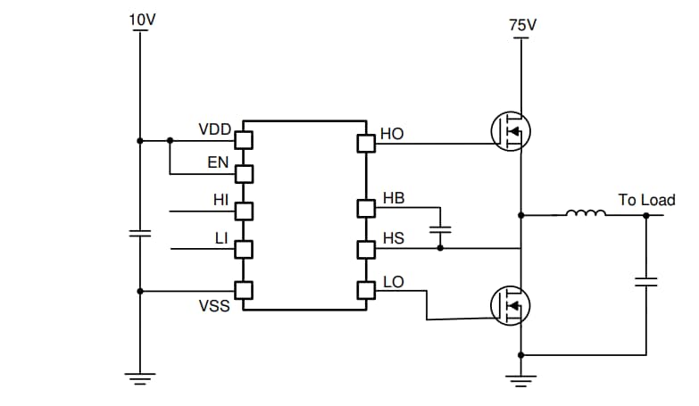
Vereinfachtes Applikationsdiagramm

Applikations-Schaltungsdiagramm - Texas Instruments UCC27289 120-V-Halbbrücken-Treiber
Veröffentlichungsdatum: 2020-12-28 | Aktualisiert: 2024-10-29