Texas Instruments UCC24624 Synchrongleichrichter-Controller (SR)

Der Texas Instruments UCC24624 Synchrongleichrichter-Controller (SR) ist für LLC-Resonanzwandler zum Austausch von Dioden-Ausgangsgleichrichtern mit hohen Verlusten durch SR-MOSFETs und zur Verbesserung des System-Wirkungsgrads insgesamt dediziert. Der UCC24624 SR-Controller verwendet eine Drain-zu-Quellenspannungs-Erfassungsart, um eine Ein- und Ausschalt-Steuerung der SR-MOSFETs zu ermöglichen. Ein proportionaler Gate-Antrieb wird zur Verlängerung der SCR-Leitungszeit implementiert, wodurch die Leitungszeit der Body-Diode reduziert wird. Zum Ausgleich der Offset-Spannung, die durch die parasitäre Induktivität des SR-MOSFETs verursacht wird, implementiert der UCC24624 eine einstellbare Abschaltschwelle, um verschiedene SR-MOSFET-Pakete aufzunehmen. Der UCC24624 verfügt über eine eingebaute Einschalt-Ausblendung von 475 ns und eine feste Ausschalt-Ausblendung von 650 ns zur Verhinderung von falschem Ein- und Ausschalten des SRs. Darüber hinaus verfügt der UCC24624 über eine Zweikanal-Verriegelungsfunktion, die verhindert, dass beide SRs zur selben Zeit eingeschaltet sind. Mit 230-V-Spannungserkennungs-Pins und einer maximalen ABS-VDD von 28 V ist der direkte Einsatz in Wandlern mit einer Ausgangsspannung von bis zu 24,75 V möglich. Die interne Klemme ermöglicht dem Controller durch Hinzufügen eines externen Strombegrenzungswiderstands auf VDD, eine 36-V-Ausgangsspannung zu unterstützen.

Dank der integrierten Standby-Modus-Erkennung, die auf der durchschnittlichen Schaltfrequenz basiert, geht der UCC24624 automatisch in den Standby-Modus über, ohne dass externe Komponenten verwendet werden. Der niedrige Strom im Standby-Modus von 180 µA unterstützt moderne Anforderungen an die Leerlaufleistung, wie z. B. CoC- und DoE-Regulierungen. Der UCC24624 kann zusammen mit den USS25630x LLC- und UCC28056 PFC-Controllern verwendet werden, um einen hohen Wirkungsgrad zu erzielen und gleichzeitig eine Leichtlast- und Nulllast-Leistung zu erhalten. Weitere PFC-Controller, wie z. B. UCC28064A, UCC28180 und UCC28070 können verwendet werden, um höhere Leistungsstufen zu erzielen. Eine 1,5-A-Spitzenquellen- und eine 4-A-Spitzensenken-Antriebsfunktion ermöglicht dem UCC24624 LLC-Wandler von bis zu 1 kW zu unterstützen.

Merkmale

  • 230 V VD-Pin-Nennspannung
  • Ausschaltverzögerung von 3 ns zur Unterstützung des Betriebs des LLC über der Resonanzfrequenz und bis zu einer Schaltfrequenz von 625 kHz.
  • Proportionaler Gate-Antrieb zur Verlängerung der SCR-Leitungszeit
  • Einstellbarer Ausschalt-Schwellenwert für eine minimale Bodydioden-Leitung
  • Automatische Standby-Moduserkennung mit einem niedrigen Standby-Strom von 180 µA
  • Großer Betriebsbereich von 4,25 V bis 26 V VDD mit interner Klemme
  • Adaptive Einschaltverzögerung für eine bessere Unterdrückung von DCM-Überschwingen
  • Zweikanal-Verriegelung zur Verhinderung einer Durchzündung
  • Integrierter Gate-Treiber mit 1,5 A Quellen- und 4 A Senkenfähigkeit für n-Kanal-MOSFETs
  • 8-Pin-SOIC-Gehäuse

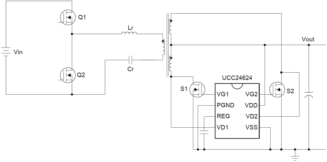
Typischer Applikationsschaltplan

Schaltplan - Texas Instruments UCC24624 Synchrongleichrichter-Controller (SR)
Veröffentlichungsdatum: 2019-04-02 | Aktualisiert: 2023-08-16