Texas Instruments UCC21750QDWEVM-025 Evaluierungsboard
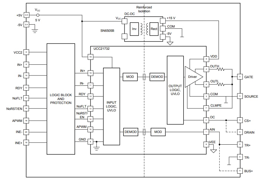
Das Texas Instruments UCC21750QDWEVM-025 Evaluierungsboard ist ein kompaktes, isoliertes Einkanal-Gate-Treiber-Board. Das UCC21750QDWEVM-025 Board bietet für SiC-MOSFET- und Si-IGBT-Leistungsmodule in Gehäusen von 150 x 62 x 17 mm und 106 x 62 x 30 mm, die erforderlichen Treiber-, Vorspannungs-, Schutz- und Diagnosefunktionen.Das UCC21750QDWEVM-025 Evaluierungsboard basiert auf den UCC21710 5,7-kVRMS-Treibern mit verstärkter Isolierung sowie einer Kriech- und Luftstrecke von 8,0 mm. Das UCC21750QDWEVM-025 enthält SN6505B-basierte isolierte DC/DC-Transformator-Vorspannungsversorgungen.
Merkmale
- 10 A Spitzenantriebsstrom mit geteiltem Ausgang und programmierbaren Antriebsspannungen
- Zwei verstärkte isolierte Kanäle mit 5,7 kVrms zur Unterstützung der Eingangsschiene von bis zu 1.700 V
- Kurzschluss-Sicherung, die ein Entsättigungssignal mit weichem Ausschalten und 2 A-Miller-Klemme mit internem FET verwendet
- Robuste störfeste Lösung mit CMTI > 100 V/ns
Applikationen
- Solarwechselrichter
- Motorantriebe
- HEV/EV-Ladegeräte
Layout
Blockdiagramm
Veröffentlichungsdatum: 2019-12-26
| Aktualisiert: 2025-03-06
