Texas Instruments TXB0304 4-Bit Spannungspegel-Umsetzer

Der bidirektionale 4-Bit-Spannungsebenen-Umsetzer TXB0304 von Texas Instruments mit automatischer Richtungsbestimmung nutzt zwei separate konfigurierbare Versorgungsschienen. Dieses TI-Gerät besitzt voll symmetrische Versorgungsspannungen von 0,9 V bis 3,6 V auf Port A und B. Der TI-Spannungsebenen-Umsetzer TXB0304 weist außerdem ein VCC-Isolationsmerkmal auf, das Ausgänge in den Hochimpedanz-Zustand versetzt, wenn der VCC-Eingang an GND liegt. Der Energieverbrauch des TI TXB0304 ist mit 5 µA max. (ICCA oder ICCB) niedrig. Der IOFF-Schaltkreis unterstützt den Betrieb im partiellen Ausschaltmodus.

Merkmale

  • Fully Symmetric Supply Voltages. 0.9V to 3.6V on A Port and 0.9V to 3.6V on B Port
  • VCC Isolation Feature - If Either VCC Input Is at GND, All Outputs Are in the High-Impedance State
  • OE Input Circuit Referenced to VCCA
  • Low Power Consumption, 5µA Max (ICCA or ICCB)
  • IOFF Supports Partial-Power-Down Mode Operation
  • Latch-Up Performance Exceeds 100mA Per JESD 78, Class II
  • ESD Protection Exceeds JESD 22
    • 8000-V Human-Body Model (A114-B)
    • 1000-V Charged-Device Model (C101)

Applikationen

  • Personal Electronics
  • Industrial
  • Enterprise
  • Telecom

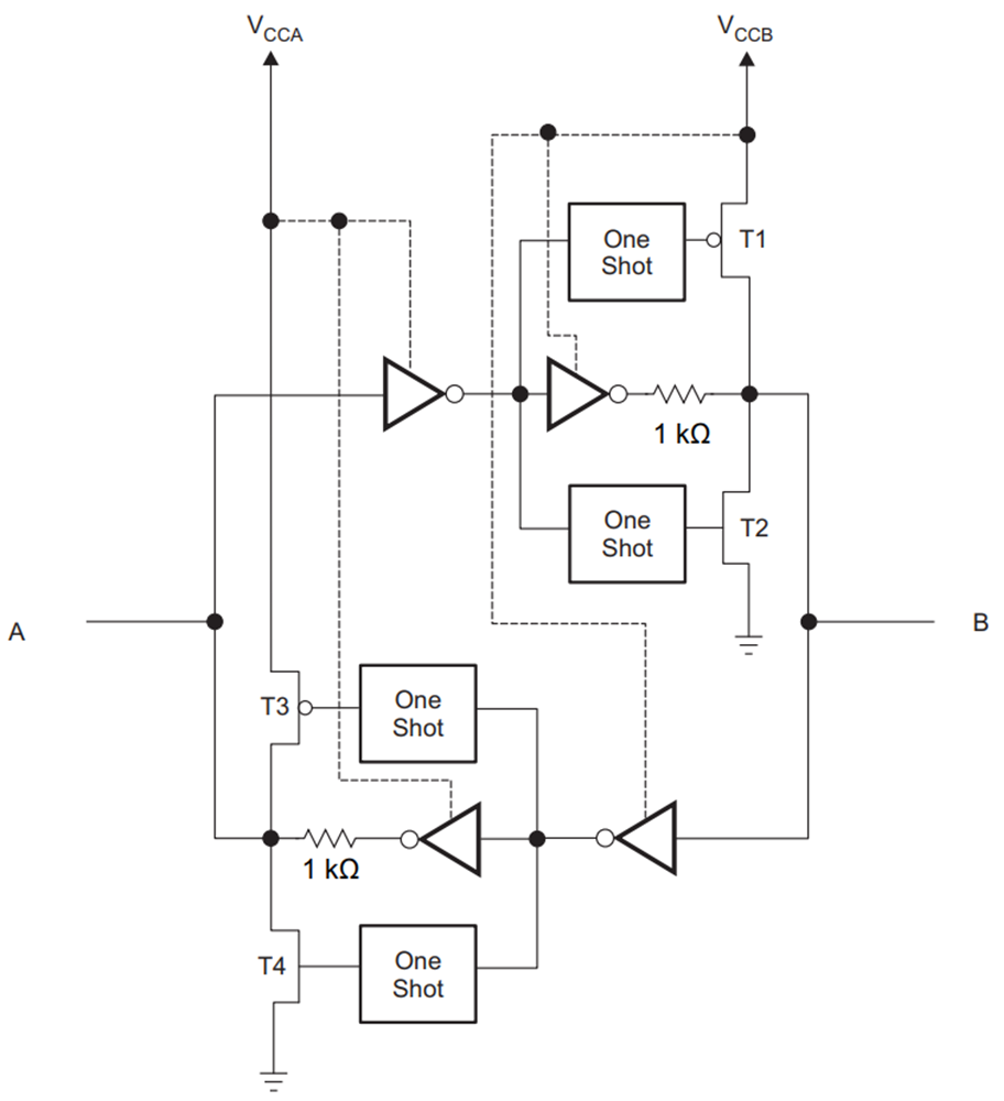
Functional Block Diagram

Blockdiagramm - Texas Instruments TXB0304 4-Bit Spannungspegel-Umsetzer
Veröffentlichungsdatum: 2012-03-01 | Aktualisiert: 2022-03-11