Texas Instruments TUSB1142 Adaptiver linearer Redriver
Der TUSB1142 adaptive lineare Redriver von Texas Instruments ist ein linearer 10 Gbps USB 3.2 Redriver mit 1.2 DeMUX oder 2:1 Nux für USB-C™-Applikationen. Der TUSB1142 ist für den Einsatz zwischen einem Host und einem USB-C-Anschluss oder zwischen einem USB-Gerät und einem USB-C-Anschluss vorgesehen. Der TUSB11142 unterstützt sowohl USB 3.2 Gen2 (10 Gbps) und Gen1 (5 Gbps) als auch USB 3.2 Low Power States (Disconnect, U1, U2 und U3).Der TUSB1142 von Texas Instruments verfügt über eine innovative, adaptive Empfänger-Entzerrungsfunktion (AEQ). Die AEQ-Funktion ermittelt automatisch die ihrer Meinung nach besten ISI-Kompensationseinstellungen zwischen dem TUSB1142 und dem an den USB-Anschluss angeschlossenen USB-Gerät, was zu einer verbesserten Interoperabilität führt. Der TUSB1142 wird mit einer einzigen 3,3-V-Versorgung betrieben und ist in einem 40-poligen WQFN-Gehäuse erhältlich.
Merkmale
- USB Type-C 2:1 Redriver MUX
- Unterstützung von USB 3.2 mit 5 Gbps und 10 Gbps
- Erweiterte USB-Energieverwaltung
- Aktiv: 550 mW (typisch)
- Trennung: 1,5 mw
- Deaktiviert (EN = L): 0,130 mW
- 16 EQ-Einstellungen bis zu 12 dB bei 5 GHz
- Wahlmöglichkeit zwischen adaptiver oder fester Empfängerentzerrung für Ports mit USB-Anschluss
- Die Wahl zwischen linearem oder begrenztem Redriver für die dem System zugewandten Ports (SSRX-Sender)
- Weniger als 1 V VTX-CM und VRX-CM
- Konfiguration über I2C oder Pin-Strap
- Auswahl zwischen 1,8 V oder 3,3 V I2C-Pegeln
- Wird von einer einzelnen 3,3-V-Versorgung betrieben
Applikationen
- Notebooks und Desktops
- Dockingstationen
- Datenspeicher
- Vernetzte Peripherie und Drucker
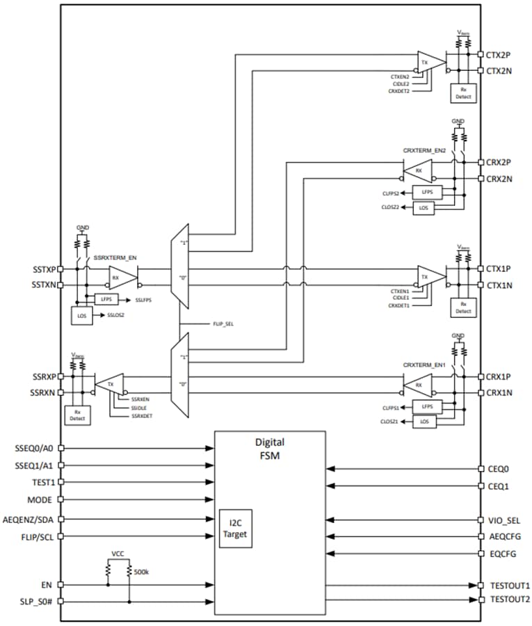
Funktionales Blockdiagramm
Veröffentlichungsdatum: 2022-05-20
| Aktualisiert: 2022-06-15
