Texas Instruments TPSM8287Axx DC/DC-Abwärtsleistungsmodule
Die DC/DC-Abwärtsleistungsmodule TPSM8287Axx von Texas Instruments verfügen über eine Differential-Fernerkundung und eine I2C-Schnittstelle. Die Leistungsmodule integrieren einen synchronen Abwärtswandler, eine Induktivität und Eingangskondensatoren, um das Design zu vereinfachen, die Anzahl externer Komponenten zu reduzieren und die PCB-Fläche zu sparen. Das flache und kompakte Design ist für die Montage mit Standardgeräten zur Oberflächenmontage ausgelegt. Die TPSM8287Axx Produktfamilie implementiert ein erweitertes Steuerschema, das schnelle Transienten unterstützt.Der Texas Instruments TPSM8287Axx kann im Festfrequenz- oder Energiesparmodus betrieben werden. Die Fernerkundungsfunktion optimiert die Spannungsregelung an der Punktlast und das Bauteil erreicht eine DC-Spannungsgenauigkeit von ±0,8 % über den gesamten Temperaturbereich. Die Bauteile können in gestapelten, parallelgeschalteten Modi betrieben werden, um höhere Ausgangsströme zu liefern oder um die Verlustleistung auf mehrere Bauteile zu verteilen. Die I2C-kompatible Schnittstelle bietet verschiedene Steuer-, Überwachungs- und Warnfunktionen. Die Einschaltspannung ist über die VSETx-Pins wählbar, um ein Einschalten ohne aktive I2C-Kommunikation zu ermöglichen.
Merkmale
- Genauigkeit der Ausgangsspannung: ±0,8 %
- Differential-Fernerkundung
- Parallelschaltbar für Mehrphasenbetrieb
- Einschaltausgangsspannung wählbar in 50-mV-Schritten von 0,40 V bis 3,35 V über VSETx-Pins und I2C einstellbar in 1,25-mV-Schritten.
- Fünf wählbare I2C-Adressen über VSETx-Pins
- Optimiert für niedrige EMI-Anforderungen
- Gehäuse ohne Bonddrähte
- Interne Eingangskondensatoren
- Vereinfachtes Layout durch einen parallelgeschalteten Eingangspfad
- Optionale Synchronisierung mit einer externen Uhr oder Frequenzspreizungsbetrieb
- Einstellbare externe Kompensation für einen großen Ausgangskondensatorbereich und optimiertes Einschwingverhalten
- Stromsparmodus oder Zwangs-PWM-Betrieb
- Präzise Freigabe-Eingangsschwelle
- Power-Good-Ausgang mit Fensterkomparator
- Aktive Ausgangsentladung
- Hervorragende thermische Eigenschaften
- -40 °C bis +125 °C Betriebstemperaturbereich
- QFN-Gehäuse von 4,5 mm x 6,8 mm mit einem Rastermaß von 0,5 mm
- Größe des Designs: 77 mm2
Applikationen
- FPGA-, ASIC- und digitale Core-Versorgung
- Optische Netzwerke
- Speicher
- Versorgung mit DDR-Speicher
- Prüf- und Messgeräte
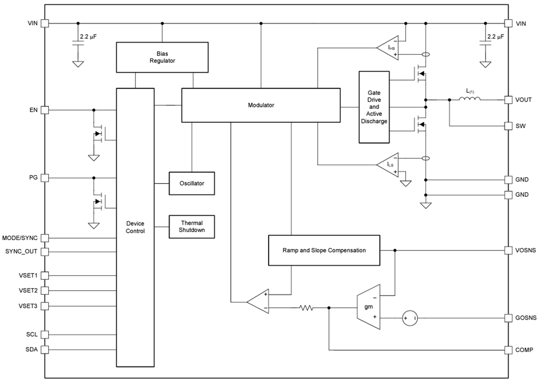
Funktionales Blockdiagramm
Veröffentlichungsdatum: 2024-03-11
| Aktualisiert: 2024-10-17
