Texas Instruments TPSM8287A1xM DC/DC-Leistungsmodule
Die DC/DC-Leistungsmodule TPSM8287A1xM von Texas Instruments kombinieren eine Differential-Fernerkundung mit einer I2C-Schnittstelle. Die TPSM8287A1xM Pin-zu-Pin-DC/DC-Leistungsmodule enthalten einen synchronen Abwärtswandler, eine Induktivität und Eingangskondensatoren, um das Design zu vereinfachen, externe Komponenten zu reduzieren und Leiterplattenfläche zu sparen. Die kompakte Bauform mit niedrigem Profil ist für die Montage mit handelsüblichen oberflächenmontierbaren Geräten ausgelegt.Der TI TPSM8287A1xM ermöglicht ein verbessertes Steuerschema, das schnelle Transienten unterstützt. Die Bauteile arbeiten im Festfrequenz- oder Stromsparmodus. Die Fernerkundungseigenschaften optimieren die Spannungsregelung an der Punktlast und das Bauteil erreicht eine DC-Spannungsgenauigkeit von ±1,0 % über den gesamten Temperaturbereich. Die Bauelemente können gestapelt und parallel geschaltet werden, um höhere Ausgangsströme zu erzeugen oder die Verlustleistung auf mehrere Bauelemente zu verteilen. Die I2C-kompatible Schnittstelle bietet mehrere Steuerungs-, Überwachungs- und Warnfunktionen. Die Einschaltspannung ist über die VSETx-Pins wählbar, um ein Einschalten ohne aktive I2C-Kommunikation zu ermöglichen.
Merkmale
- -55 °C bis +125 °C Betriebstemperaturbereich
- Differential-Fernerkundung
- Fünf über VSETx-pins wählbare I2C-Adressen
- Einstellbare externe Kompensation für einen großen Ausgangskondensatorbereich und ein optimiertes Einschwingverhalten
- Für niedrige EMI-Anforderungen ausgelegt
- Kein Bonddraht-Gehäuse
- Interne Eingangskondensatoren
- Vereinfachtes Layout durch einen parallelgeschalteten Eingangspfad
- Optionale Synchronisierung mit externem Taktgeber oder Frequenzspreizungsbetrieb
- ±1,0 % Ausgangsspannungsgenauigkeit
- Parallelschaltbar für Mehrphasenbetrieb
- Einschalt-Ausgangsspannung über VSETx-Pins wählbar in 50-mV-Schritten von 0,40 V bis 3,35 V und über I2C einstellbar in 1,25-mV-Schritten
- Stromsparmodus oder erzwungener PWM-Betrieb
- Präzise Freigabe-Eingangsschwelle
- Power-Good-Ausgang mit Fensterkomparator
- Aktive Ausgangsentladung
- Hervorragende thermische Eigenschaften
- 4,5 mm x 6,8 mm QFN-Gehäuse mit 0,5 mm Rastermaß
- Größe des Designs: 77 mm2
Applikationen
- Elektrische Leistung von Flugzeugen
- Verteidigungsfunk
- Sucher-Front-End
- Radar
- Schienenverkehr
Vereinfachtes Schaltbild
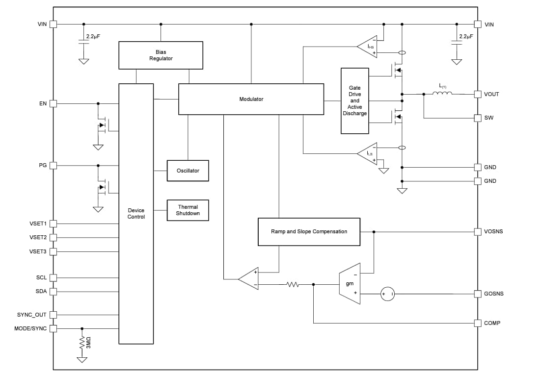
Funktionales Blockdiagramm
