Texas Instruments TPSI3100/TPSI3100-Q1 Isolierte Schaltertreiber
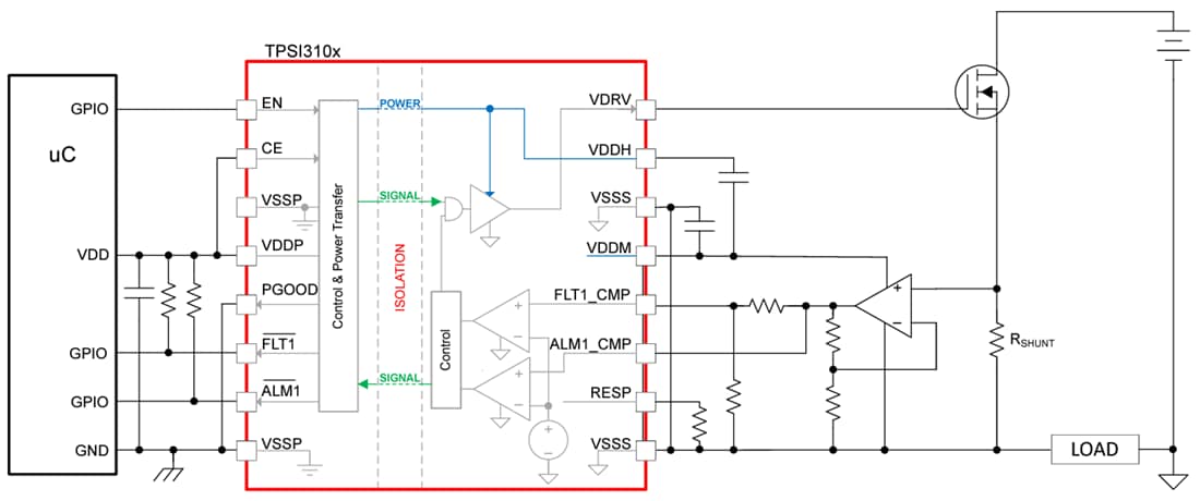
Die isolierten Schaltertreiber TPSI3100/TPSI3100-Q1 von Texas Instruments sind integrierte isolierte Bauteile, die zusammen mit einem externen Leistungsschalter eine vollständig isolierte Halbleiterrelaislösung bilden. Mit einer Gate-Treiber-Spannung von 15,8 V und einem Quellen-/Senken-Spitzenstrom von 1,5/2,5 A können viele Leistungsschalter verwendet werden, um viele Applikationsanforderungen zu erfüllen. Dieser Treiber stellt über die nominale 5-V-Schiene (VDDM) zusätzliche Leistung für Hilfsschaltungen bereit, um Funktionen wie Strom- und Spannungsüberwachung oder Ferntemperaturerkennung auszuführen. Der TPSI3100-Q1 ist gemäß AEC-Q100 für Fahrzeuganwendungen zugelassen.Die Treiber der Baureihe TPSI3100/TPSI3100-Q1 von Texas Instruments verfügen über eine höhere Zuverlässigkeit, einen geringeren Stromverbrauch und höhere Temperaturbereiche als herkömmliche mechanische Relais und Optokoppler. Diese Treiber werden in Applikationen wie On-Board-Ladegeräten, Halbleiterrelais, Gebäudeautomatisierung und Batteriemanagementsystemen verwendet.
Merkmale
- Steuert externe Leistungstransistoren an
- Es ist keine isolierte Sekundärversorgung erforderlich
- Gate-Drive von 15,8 V, Spitzenquellen-/Senkenstrom von 1,5 A / 2,5 A
- Verstärkte Isolierung: 5 kVRMS
- Bis zu 25 mW, Versorgung von 5 V für externe Hilfsschaltungen
- Zwei isolierte Hochgeschwindigkeitskomparatoren mit integrierter Spannungsreferenz von ±1,5 %
- Open-Drain-Ausgänge für Fehler- und Alarmanzeigen
- AEC-Q-100-qualifiziert für Fahrzeuganwendungen (TPSI3100-Q1)
- Temperaturklasse 1 (-40 °C bis +125 °C, TA)
- Fähig für die funktionale Sicherheit
- Dokumentation zur Unterstützung des Designs von funktionalen Sicherheitssystemen ist verfügbar
- Sicherheitsbezogene Zulassungen
- Geplant: 7.070 VPK verstärkte Isolierung gemäß DIN EN IEC 60747-17 (VDE 0884-17)
- Geplant: 5 kVRMS Isolierung für 1 Minute gemäß UL 1577
Applikationen
- Solid State Relais
- Batteriemanagementsystem
- On-Board-Ladegerät
- Hybrid-, Elektro- und Antriebsstrangsysteme
- Gebäudeautomation
- Fabrikautomatisierung und -steuerung
Datenblätter
Vereinfachtes Schaltschema
Veröffentlichungsdatum: 2024-02-09
| Aktualisiert: 2025-11-14
