Texas Instruments TPSI3052/TPSI3052-Q1 Isolierter Schaltertreiber
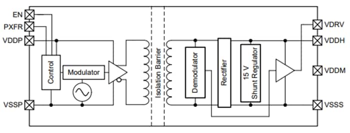
Die isolierten Schaltertreiber TPSI3052/TPSI3052-Q1 vonTexas Instruments sind vollständig integriert, wenn sie mit externem Leistungsschalter kombiniert werden, und bilden so ein vollständig isoliertes Halbleiterrelais (SSR). Mit einer Nenn-Gate-Treiberspannung von 15 V mit Quellen- und Senken-Spitzenstrom von 1,5/3,0 A kann eine große Vielfalt externer Leistungsschalter ausgewählt werden, wodurch eine große Auswahl an Applikationen abgedeckt werden können. Das Bauelement TPSI3052/TPSI3052-Q1 erzeugt aus der von seiner Primärseite empfangenen Leistung seine eigene sekundäre Vorspannungsversorgung, sodass keine isolierte sekundäre Vorspannungsversorgung erforderlich ist. Darüber hinaus kann das Bauelement TPSI3052/TPSI3052-Q1 optional eine externe unterstützende Schaltung für verschiedene Applikation mit Strom versorgen. Die Bauteile TPSI3052-Q1 sind gemäß AEC-Q100 für Fahrzeuganwendungen qualifiziert.Merkmale
- Keine isolierte Sekundärversorgung erforderlich
- Steuert externe Leistungstransistoren oder SCRs
- 5 kVRMS verstärkte Isolierung
- 15 V Gate-Ansteuerung mit Quellen- und Senken-Spitzenstrom von 1,5 A/3 A
- Versorgung von bis zu 50 mW für externe Hilfsschaltungen
- Unterstützt AC- oder DC-Schaltung
- Unterstützt Zwei- oder Dreidraht-Modi
- Funktionale Sicherheit:
- Dokumentation zur Unterstützung des Designs von funktionalen Sicherheitssystemen ist verfügbar
- Sieben Stufen der Leistungsübertragung und des Widerstands wählbar
- AEC-Q100-qualifiziert für Fahrzeuganwendungen:
- -40 bis 125°C, TA-Temperatur Klasse 1
- Sicherheitsbezogene Zulassungen
- Geplant: 7071VPK verstärkte Isolierung gemäß DIN EN IEC 60747-17 (VDE0884-17)
- Geplant: 5 kVRMS Isolierung für 1 Minute gemäß UL 1577
Applikationen
- Solid State Relais (SSR)
- Batteriemanagementsystem
- On-Board-Ladegerät
- Hybrid-, Elektro- und Antriebsstrangsysteme
- Gebäudeautomatisierung
- Fabrikautomatisierung und -steuerung
Datenblätter
Blockdiagramm
Anwendungsdiagramm
Veröffentlichungsdatum: 2023-02-20
| Aktualisiert: 2025-06-02
