Texas Instruments TPS92624-Q1 Vier-Kanal-LED-Treiber
Der TPS92624-Q1 Vierkanal-LED-Treiber von Texas Instruments verfügt über ein einzigartiges Wärmemanagementdesign, das den Temperaturanstieg am Bauteil reduziert. Der TPS92624-Q1 ist ein Lineartreiber, der von Autobatterien mit großen Spannungsschwankungen gespeist wird und Vollstromlasten bis zu 150 mA pro Kanal ausgibt. Externe Nebenwiderstände werden verwendet, um den Ausgangsstrom zu teilen und die Leistung aus dem Treiber zu verteilen. Die vollständigen Diagnosefunktionen des Bauteils umfassen eine offene LED, eine LED-Kurzschluss-zu-GND-Schaltung und einen Bauteil-Übertemperaturschutz.Das „One-Fail-All-Fail“-Merkmal des TPS92624-Q1 von Texas Instruments kann mit anderen LED-Treibern wie den Geräten TPS9261x-Q1, TPS9262x-Q1 TPS92630/8-Q1 und TPS92830-Q1 zusammenarbeiten, um unterschiedliche Anforderungen zu erfüllen.
Merkmale
- AEC-Q100-qualifiziert für Fahrzeuganwendungen
- Temperaturklasse 1 (-40 °C bis 125 °C, TA)
- Breiter Eingangsspannungsbereich von 4,5 V bis 40 V
- Wärmeteilung durch einen externen Querwiderstand
- Niedriger Versorgungsstrom im Fehlermodus
- Vier hochpräzise Stromregelungen
- Bis zu 150 mA Stromausgang für jeden Kanal
- ±5 % Genauigkeit im gesamten Temperaturbereich
- Unabhängige Stromeinstellung über den Widerstand
- Unabhängiger PWM-Pin für Helligkeitssteuerung
- Niedrige Dropout-Spannung
- 600 mV für 150 mA maximalen Dropout
- Diagnostik und Schutz
- LED-Unterbrechungserkennung mit automatischer Wiederherstellung
- LED-Kurzschluss-zu-GND-Schutz mit automatischer Wiederholung
- Diagnosefreigabe wird mit einstellbarem Schwellenwert geliefert
- Fehlerbus konfigurierbar entweder als „One-Fails–All-Fail“ oder „Only-Failed-Channel-Off“ (N-1)
- Thermische Abschaltung
- Sperrschichttemperaturbereich bei Betrieb: -40 °C bis +150 °C
Merkmale
- Fahrzeugrücklicht auf der Außenseite (Heckleuchte, mittige und hoch angebrachte Bremslampe, Seitenmarkierungslicht)
- Kleines Fahrzeugrücklicht auf der Außenseite, Türgriff, Anzeige zur Erkennung des toten Winkels, Ladeanschluss
- Automotive-Innenraumbeleuchtung (Overhead-Konsole, Leselampe)
- Universal-LED-Treiber-Applikationen
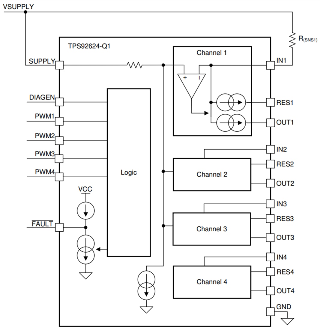
Funktionales Blockdiagramm
Veröffentlichungsdatum: 2022-05-11
| Aktualisiert: 2025-03-06
