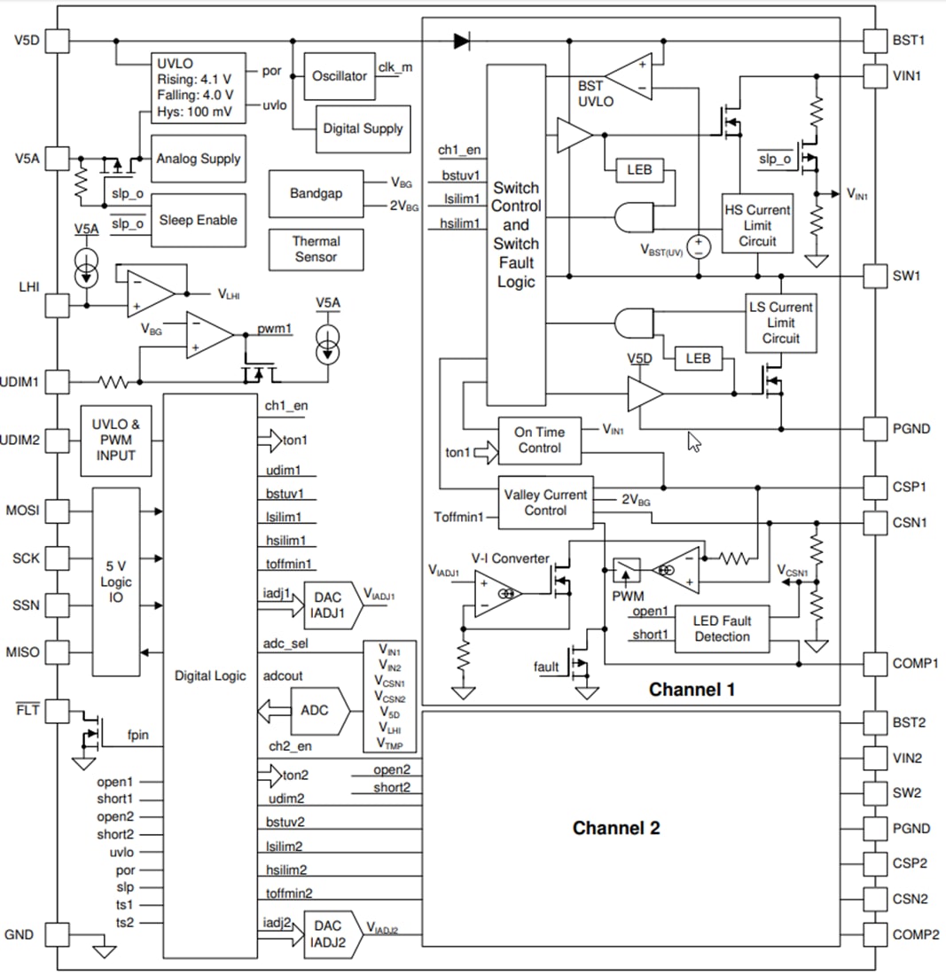
Texas Instruments TPS92520-Q1 Synchroner Abwärts-LED-Treiber
Der synchrone LED-Treiber TPS92520-Q1 von Texas Instruments ist ein monolithischer dualer synchroner Abwärts-LED-Treiber mit einem weiten Betriebseingangsspannungsbereich von 4,5 V bis 65 V, der zwei in Reihe geschaltete LED-Stränge unabhängig voneinander versorgen kann. Der TPS92520-Q1 implementiert eine adaptive Einschaltdauer-Durchschnittsstromregelung und ist kompatibel mit Shunt-FET-Dimmtechniken und LED-Matrixmanager-basierten dynamischen Scheinwerfern. Die adaptive On-Time-Steuerung bietet eine nahezu konstante Schaltfrequenz, die zwischen 100 kHz und 2,2 MHz eingestellt werden kann. Der TPS92520-Q1 von Texas Instruments mit Induktionsstrommessung und Closed-Loop-Feedback ermöglicht eine Genauigkeit von mehr als ±4 % über einen weiten Eingangsspannungs-, Ausgangsspannungs- und Umgebungstemperaturbereich.Der leistungsstarke LED-Treiber kann den LED-Strom unabhängig voneinander mit analogen oder PWM-Dimmtechniken modulieren. Lineares analoges Dimmverhalten mit einem Bereich von über 16:1 wird durch die Programmierung des 10-Bit-IADJ-Wertes über SPI erreicht. Die PWM-Verdunkelung des LED-Stroms wird durch ein direktes Modulieren des entsprechenden UDIM-Eingangspins mit dem gewünschten Tastverhältnis oder durch Aktivieren der internen PWM-Generatorschaltung ermöglicht. Der PWM-Generator setzt den 10-Bit-PWM-Registerwert in ein entsprechendes Tastverhältnis um, indem er ihn mit einem programmierbaren Digitalzähler vergleicht.
Der TPS92520-Q1 verfügt über einen fortschrittlichen, programmierbaren SPI-Diagnose- und Fehlerschutz mit zyklusweiser Schaltstrombegrenzung, Bootstrap-Unterspannung, LED offen, LED kurz, thermischer Warnung und thermischer Abschaltung. Ein integrierter 10-Bit-ADC tastet kritische Eingangsparameter ab, die für die Überwachung und Diagnose des Systemzustands erforderlich sind. Der TPS92520-Q1 ist in einem 8,1 mm x 11 mm großen, thermisch optimierten 32-poligen HTSSOP-Gehäuse mit einem 2,75 mm x 3,45 mm großen, oben und unten freiliegenden Pad erhältlich.
Merkmale
- AEC-Q100-qualifiziert für Fahrzeuganwendungen
- Umgebungsbetriebstemperatur der Klasse 1: -40 °C bis +125 °C
- HBM-Bauteilklassifikation Stufe H1C
- CDM-Bauteilklassifikation Stufe C5
- Funktionssicherheitsfähig
- Verfügbare Dokumentation zur Unterstützung des Designs von funktionalen Sicherheitssystemen
- Großer Eingangsspannungsbereich von 4,5 V bis 65 V
- Dauerausgangsstrom von bis zu 1,6 A mit einer Genauigkeit von 4 %
- Adaptive On-Time-Durchschnittsstrom-Steuerung
- Programmierbare Schaltfrequenz von 100 kHz bis 2,2 MHz
- Zyklusweiser Überstromschutz durch Schalter
- Fortschrittlicher Verdunkelungsbetrieb
- 10-Bit-Präzisions-Analog-Verdunkelung
- 10-Bit-Präzisions-PWM-Verdunkelung
- Unterstützt externen PWM-Dimm-Eingang
- Optimiert für externe Shunt-Verdunkelung, einschließlich LED Matrix Manager
- Thermischer Schutz des Schalters
- Serielle Peripherieschnittstelle (SPI)
- Konfigurierbare analoge Referenz, Schaltfrequenz und PWM-Verdunkelungs-Tastverhältnis
- Störungsüberwachung und Meldung
- Notlaufprogramm (Limp-Home, LH) und eigenständiger Betriebsmodus
Applikationen
- Automotive-Scheinwerfer und adaptives LED-Treibermodul
Funktionales Blockdiagramm
