Texas Instruments TPS7H4011QEVM-CVAL Evaluierungsmodul
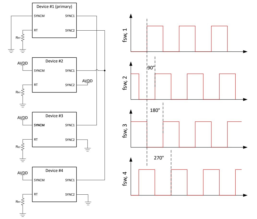
Das Evaluierungsmodul TPS7H4011QEVM-CVAL von Texas Instruments ist für die schnelle und einfache Demonstration des parallelen Betriebs mit vier Phasenversätzen (Quadratur) von vier Abwärtswandlern der Baureihe TPS7H4011-SP in einem Keramikgehäuse ausgelegt. Der große Spannungsbereich des TPS7H4011 ermöglicht die Verwendung als Punktlastregler zur direkten Umwandlung von einer 12 V- oder 5 V-Schiene.Der TPS7H4011QEVM-CVAL von TI liefert Anschlussflächen, die mit zusätzlichen Bauelementen zum Testen von benutzerdefinierten Konfigurationen und Testpunkten zur einfachen Bauteilanordnung, Leistungsvalidierung und Analyse bestückt werden können.
Merkmale
- Vierkanal-Betrieb für einen Ausgangsstrom von bis zu 48 A
- Eingangsspannungsbereich von 4,5 V bis 14 V
- Wählbare Schaltfrequenz
- Hochstrom-Transienten-Testschaltung
- 0,6 V ±0,67 % Spannungsreferenz über Leitung, Temperatur und Strahlung
Applikationen
- Lastnahe Stromversorgung für Weltraumsatelliten
- Elektrische Energieversorgungssysteme für Satelliten (EPS)
- Kommunikationsnutzlast
- Nutzlast für Radarbildgebung
- Strahlungsgehärtete Stromversorgungen
Vereinfachtes Schaltschema
Layout
Veröffentlichungsdatum: 2025-05-30
| Aktualisiert: 2025-06-05
