Texas Instruments TPS7H2211 Einkanal-eFuse
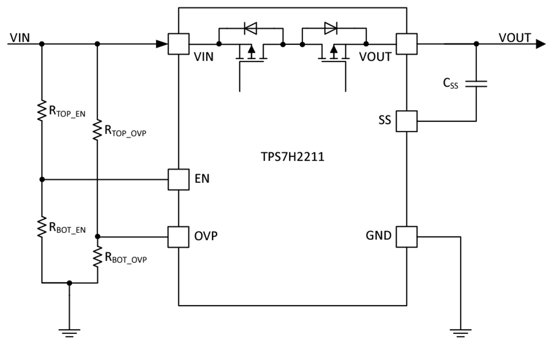
Die TPS7H2211 Einkanal-eFuse von Texas Instruments enthält einen integrierten FET-Lastschalter mit zusätzlichen Funktionen, um einen Sperrstromschutz, einen Überspannungsschutz und eine konfigurierbare Anstiegszeit zur Reduzierung von Soft-Start und Einschaltstrom zu bieten. Das Bauteil enthält p-Kanal-MOSFETs, die einen maximalen Dauerstrom von 3,5 A unterstützen und über einen Eingangsspannungsbereich von 4,5 V bis 14 V betrieben werden.Der Schalter wird über einen Ein-/Aus-Eingang (EN) gesteuert, der direkt mit Niederspannungssteuersignalen verbunden werden kann. Überspannungsschutz und Soft-Start können mit wenigen externen Komponenten über die OVP- und SS-Pins programmierbar sein. Der TPS7H2211 von Texas Instruments ist in einem Kunststoff- und Keramikgehäuse mit einem freiliegenden Wärme-Pad verfügbar, das eine verbesserte thermische Leistungsfähigkeit ermöglicht.
Merkmale
- Gesamt-Ionisierungs-Dosis (TID) charakterisiert mit 100krad (Si) mit Verfügbarkeit der Strahlungshärte-Sicherung von 100krad (Si)
- Gekennzeichnete Einzelereigniseffekte (Single-Event Effects, SEE)
- Einzelereignis-Latch-Up (SEL), Einzelereignis-Burnout (SEB) und Einzelereignis-Gate-Bruch (SEPR) immun gegen lineare Energieübertragung (LET) = 75MeVcm2/mg
- Einzelereignis-Funktionsunterbrechung (SFI) und Einzelereignis-Transienten (SET), charakterisiert für LET = 75MeVcm2/mg
- Integrierte Einkanal-eFuse
- Niedriger On-Widerstand (RON) von maximal 60mΩ bei 25 °C und VIN = 12 V
- 4,5 V bis 14 V Eingangsspannungsbereich
- 3,5 A maximaler Dauerschaltstrom
- Niedriger Eingangs-Schwellenwert unterstützt die Verwendung der Logikschaltung 1,2 V, 1,8 V, 2,5 V und 3,3 V
- Konfigurierbare Anstiegszeit (Soft-Start)
- Sperrstromschutz (RCP)
- Überspannungsschutz (OVP)
- Interne Strombegrenzung (Schnellauslösung)
- Übertemperaturschutz
- Keramik- und Kunststoffgehäuse mit Wärme-Pad
Applikationen
- Elektrisches Satelliten-Leistungssystem (EPS)
- Kaltsparende Netzteile (Redundanz)
- Befehls- und Datenverarbeitung
- Kommunikationsnutzlast
- Strahlungsgehärteter und toleranter Leistungsbaum
Weitere Ressourcen
- Auswahlhilfe - TI Weltraumprodukte Leitfaden für strahlungsgehärtete und strahlungstolerante Produkte zur Innovation Ihrer Raumfahrtdesigns
- Applikationshinweis — Reduzierung des Risikos bei Erdumlaufeinsätzen mit Raumfahrt-verbesserten Kunststoffprodukten
- Einzelereigniseffekte-Bericht der TPS7H2211-SEP eFuse
Videos
Vereinfachtes Schaltbild
Veröffentlichungsdatum: 2024-10-08
| Aktualisiert: 2024-10-15
