Texas Instruments TPS7B70-Q1 LDO-Linearregler
Texas Instruments TPS7B70-Q1 LDO-Linearregler sind 300mA-Low-Dropout-(LDO)-Linearregler, die von einer Fahrzeugbatterie betrieben werden. Diese Bauteile bieten einen Ruhestrom von nur 19 µA bei leichten Lasten. Dadurch ist der TPS7B70-Q1 eine ausgezeichnete Wahl für die Stromversorgung von Always-On-Komponenten, wie z. B. Mikrocontroller (MCUs) und CAN-Transceiver (Controller Area Network, CAN).Der TPS7B70-Q1 wird in einer Umgebungstemperatur von –40 °C bis +125 °C und mit einer Sperrschichttemperatur von –40 °C bis +150 °C betrieben. Dieses Bauteil verfügt außerdem über ein thermisch leitfähiges Gehäuse, das einen dauerhaften Betrieb trotz erheblicher Dissipation im Bauteil ermöglicht, und ist eine typische Eigenschaft des Betrieb mit ausgeschalteter Batterie. Diese Funktionen machen den TSP7B70-Q1 in Kombination mit der integrierten Strombegrenzung und dem Übertemperaturschutz zu einer ausgezeichneten Wahl für die Stromversorgung von Automotivesystem-Komponenten.
Merkmale
- Qualifiziert für Fahrzeuganwendungen
- AEC-Q100-qualifiziert mit den folgenden Ergebnissen:
- Bauteiltemperatur Klasse 1: -40 °C bis +125 °C Umgebungstemperaturbereich
- HBM-ESD-Bauteilklassifikation Stufe 2
- CDM-ESD-Bauteilklassifikation Stufe C4B
- Bauteil-Sperrschichttemperaturbereich: –40 °C bis 150 °C
- Max. Ausgangsstrom: 300 mA
- Großer VIN-Eingangsspannungsbereich von 4 V bis 40 V mit bis zu 45 V Transienten
- Feste Ausgänge von 3,3 V und 5 V
- Maximale Dropout-Spannung: 400 mV bei 300 mA
- Stabil mit Ausgangskondensator in einem großen Kapazitätsbereich (4,7 µF bis 500 µF) und ESR-Bereich (0,001 Ω bis 20 Ω)
- Niedriger Ruhestrom (I(Q))
- < 4 µA bei niedrigem EN (Abschaltmodus)
- 19 µA typisch bei niedrigen Lasten mit VINT hoch
- Vollständig einstellbarer Schwellwert und Power-Good-Verzögerungszeit
- Niedrige Eingangsspannungsverfolgung zu UVLO
- Integrierter Fehlerschutz
- Überlaststrombegrenzungsschutz
- Thermische Abschaltung
- 16-Pin-HTSSOP-PowerPAD™-Gehäuse
- Thermischer Widerstand (RθJA): 39,7 °C/W
Applikationen
- Bordnetzsteuermodule (BSG)
- EV- und HEV-Batteriemanagementsysteme
- Getriebesteuerungsgeräte (TCU)
- Haupteinheiten
- Elektrische Servolenkung (EPS)
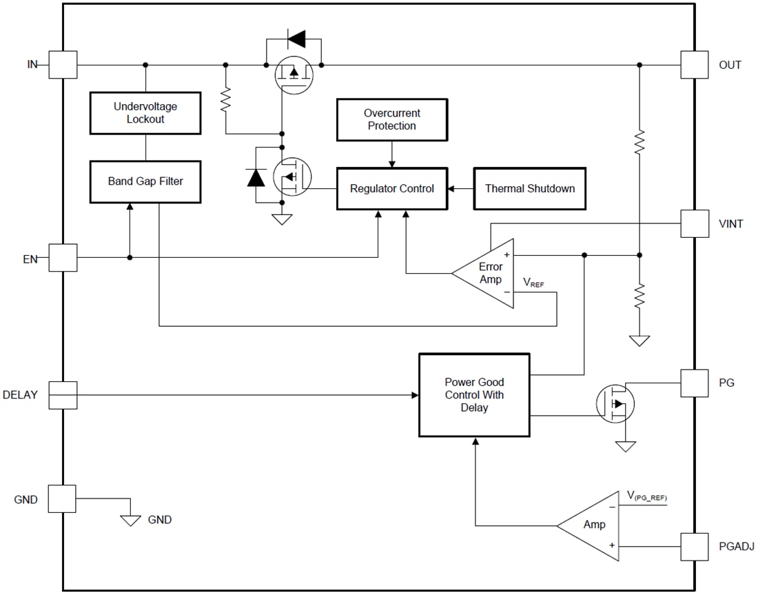
Funktionales Blockdiagramm
Veröffentlichungsdatum: 2018-12-13
| Aktualisiert: 2025-06-05
