Texas Instruments TPS65321A-Q1 3,2A-Automotive-Abwärtswandler

Texas Instruments TPS65321A-Q1 Abwärtswandler sind eine Kombination aus einem DC/DC-Abwärtswandler mit hoher VIN und einer einstellbaren Schaltmodusfrequenz von 100 kHz bis 2,5 MHz sowie einem 280mA-Low-Dropout-Regler (LDO) mit hoher VIN. Der Eingangsbereich beträgt 3,6 V bis 36 V für den Abwärtswandler und 3 V bis 36 V für den LDO-Regler. Der Abwärtsregler besitzt einen integrierten High-Side-MOSFET mit einem Active-Low-, Open-Drain-Power-Good-Ausgangspin (nRST) und bietet ein flexibles Design zur Anpassung an die Systemanforderungen. Der LDO-Regler verfügt über einen niedrigen typischen Eingangsversorgungsstrom von 55 μA im Leerlauf. Die Niederspannungsverfolgungsfunktion des TPS65321A-Q1 ermöglicht die Eingangsversorgung während eines Kaltstarts zu verfolgen. Zu den integrierten Schutzfunktionen des Bauteils gehören Soft-Start, Strombegrenzung, Temperaturmessung und Abschaltung aufgrund hoher Verlustleistung. Darüber hinaus bietet der TPS65321A-Q1 eine integrierte Funktion zur Unterspannungssperre (UVLO), die das Bauteil bei zu niedriger Versorgungsspannung ausschaltet. Die TPS65321A-Q1 Bauteile sind für Fahrzeuganwendungen AEC-Q100-qualifiziert.

Merkmale

  • Qualifiziert für Fahrzeuganwendungen
  • AEC-Q100-qualifiziert mit den folgenden Ergebnissen:
    • Temperatur des Bauteils der Klasse 1: -40 °C bis +125 °C Umgebungstemperatur
    • HBM-ESD-Bauteilklassifikation Stufe 2
    • CDM-ESD-Bauteilklassifikation Stufe C4B
  • DC/DC-Abwärtswandler mit hoher VIN
    • Eingabebereich von 3,6 V bis 36 V
    • 250 mΩ High-Side-MOSFET
    • Maximaler Laststrom von 3,2 A, einstellbarer Ausgang von 1,1 V bis 20 V
    • Anpassbare Schaltfrequenz von 100 kHz bis 2,5 MHz
    • Synchronisiert mit externem Takt
    • Hoher Wirkungsgrad bei niedrigen Lasten mit Pulse-Skipping-Eco-mode™-Steuerungsschema
    • Maximum 140 µA Betriebsruhestrom
    • Reset-Ausgangs-Pin (Active Low, Open-Drain)
  • Ein Low-Dropout-Spannungsregler (LDO) mit hoher VIN
    • Eingabebereich von 3 V bis 36 V
    • 280 mA Stromkapazität mit einem Ruhestrom im Leerlauf von typisch 35 μA
    • Low-Dropout-Spannung von 300 mV bei IO = 200 mA (typisch)
  • Überstromschutz für beide Regler
  • Übertemperaturschutz
  • 14-Pin-HTSSOP-Gehäuse mit integrierter PowerPAD™-Schaltung

Applikationen

  • Automotive-Infotainment und -Kombiinstrumente
  • Erweitertes Fahrassistenzsystem (FAS)
  • Automotive-Telematik, eCall

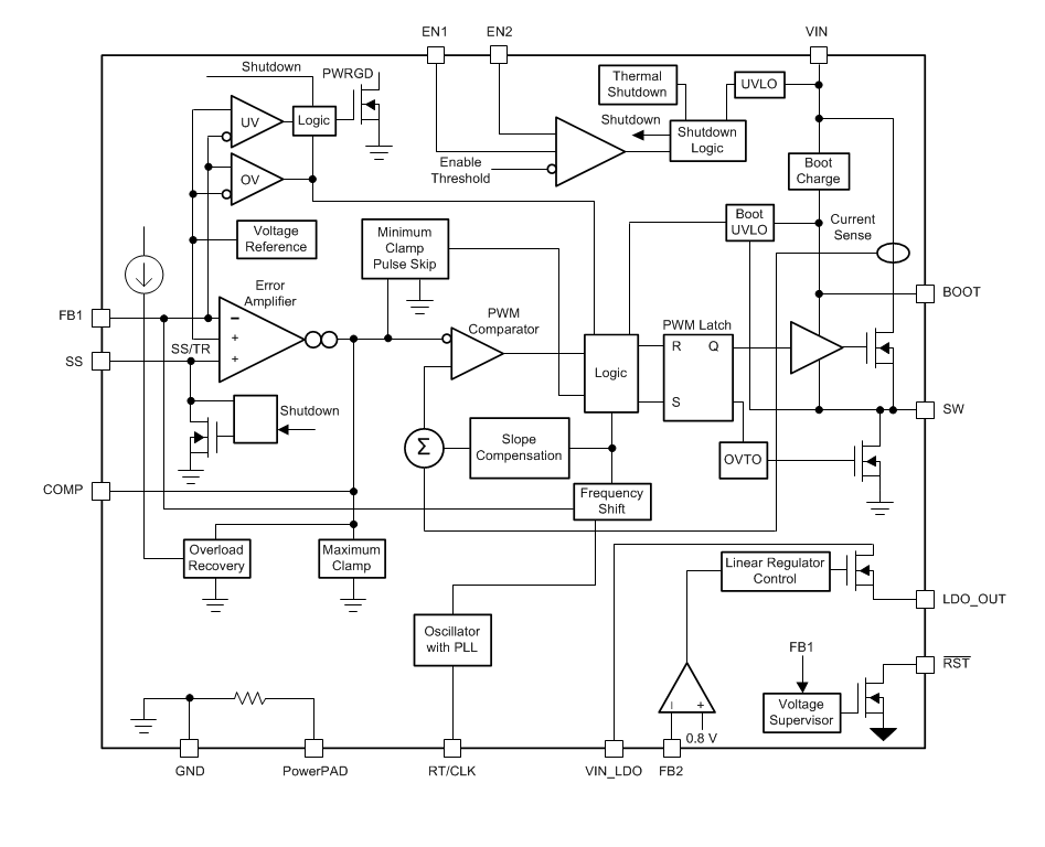
Blockdiagramm

Blockdiagramm - Texas Instruments TPS65321A-Q1 3,2A-Automotive-Abwärtswandler
Veröffentlichungsdatum: 2018-11-15 | Aktualisiert: 2025-03-06