Texas Instruments TPS65320D-Q1 Automotive-LDO-Regler

Der Texas Instruments TPS65320D-Q1 Automotive-LDO-Regler ist eine Kombination aus einem DC/DC-Abwärtswandler mit hoher VIN und einem 280mA-Low-Dropout-Regler mit hoher VIN und bietet ein flexibles Design, um alle Systemanforderungen zu erfüllen. Der Abwärtsregler bietet eine einstellbare Schaltfrequenz von 100 khz bis 2,5 MHz, während der Low-Dropout-Regler (LDO) eine 280mA-Strombelastbarkeit mit hohem VIN und einem typischen Ruhestrom von 35 μA im Leerlauf bietet. Der Abwärtsregler verfügt über einen integrierten 250mΩ-High-Side-MOSFET und einen Eingabebereich von 3,6 V bis 36 V. Der LDO-Regler verfügt über einen niedrigen Eingangsversorgungsstrom von typischen 45 μA bei Nulllast und außerdem über einen integrierten MOSFET mit einem Active-Low, Push-Pull-Reset-Ausgangspin. Der niedrige Welligkeits-Pulse-Skip-Modus verringert den geregelten Ausgangsstrom bei Nulllast auf max. 140 µA. Zu den integrierten Schutzfunktionen gehören Soft-Start, Strombegrenzung, Temperaturmessung und Abschaltung aufgrund hoher Verlustleistung. Die TPS65320D-Q1 Bauteile sind AEC-Q100-qualifiziert für Automotive-Applikationen.

Merkmale

  • Qualifiziert für Fahrzeuganwendungen
  • AEC-Q100-qualifiziert mit den folgenden Ergebnissen:
    • Temperatur des Bauteils der Klasse 1: -40 °C bis +125 °C Umgebungstemperatur
    • HBM-ESD-Bauteilklassifikation Stufe 2
    • CDM-ESD-Bauteilklassifikation Stufe C4B
  • DC/DC-Abwärtswandler mit hoher VIN
    • Eingabebereich von 3,6 V bis 36 V
    • 250 mΩ High-Side-MOSFET
    • Maximaler Laststrom von 3,2 A, einstellbarer Ausgang von 1,1 V bis 20 V
    • Anpassbare Schaltfrequenz von 100 kHz bis 2,5 MHz
    • Synchronisiert mit externem Takt
    • Hoher Wirkungsgrad bei niedrigen Lasten mit Pulse-Skipping-Eco-mode™-Steuerungsschema
    • Maximum 140 µA Betriebsruhestrom
  • Ein Low-Dropout-Spannungsregler (LDO)
    • Eingangsspannungsbereich von 3 V bis 20 V, mit Auto-Quelle zum Ausgleich von Wirkungsgrad und niedrigem Standby-Strom
    • 280 mA Strombelastbarkeit mit einem Ruhestrom im Leerlauf von typischen 35 μA
    • Power-Good-Ausgang (Push-Pull)
    • Low-Dropout-Spannung von 300 mV bei IO = 200 mA (typisch)
  • Überstromschutz für beide Regler
  • Übertemperaturschutz
  • 14-Pin-HTSSOP-Gehäuse mit integrierter PowerPAD™-Schaltung

Applikationen

  • Automotive-Infotainment und -Kombiinstrumente
  • Erweitertes Fahrassistenzsystem (ADAS)
  • Automotive-Telematik, eCall

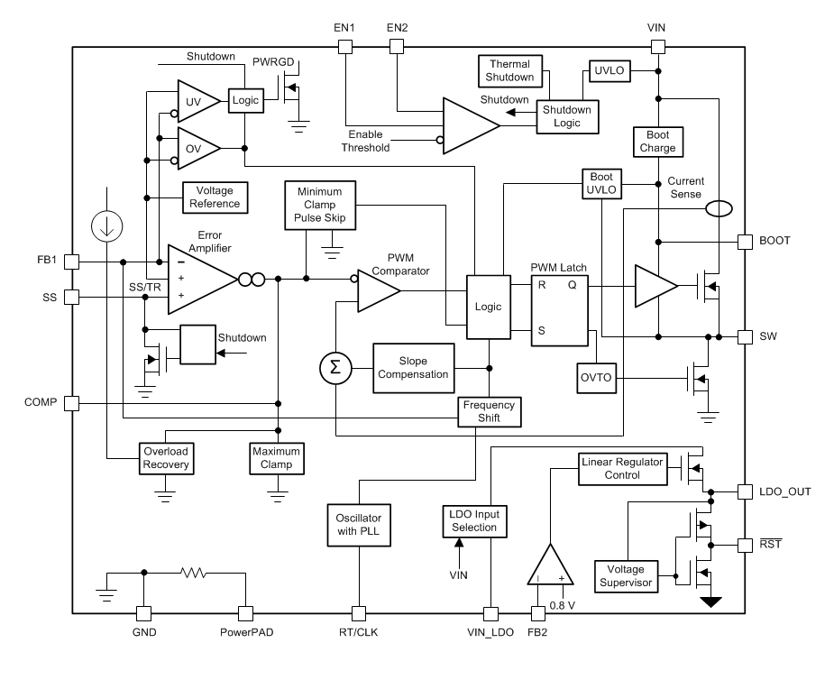
Blockdiagramm

Blockdiagramm - Texas Instruments TPS65320D-Q1 Automotive-LDO-Regler
Veröffentlichungsdatum: 2018-08-14 | Aktualisiert: 2023-03-09