Texas Instruments TPS65265 Dreifach-Abwärtswandler
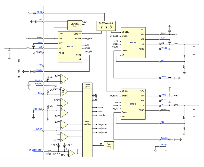
Der Texas Instruments TPS65265 Dreifach-Abwärtswandler enthält synchrone Dreifach-Abwärtswandler mit einem Eingangsspannungsbereich von 4,5 V bis 17 V. Dies umfasst die meisten zwischengeschalteten Bus-Spannungen die bei 5, 9, 12 oder 15V Bus- oder Batterieversorgung arbeiten. Der Wandler mit konstantem Frequenzspitzenstrom-Modus wurde entwickelt, um seine Anwendung zu vereinfachen. Und es gibt Entwicklern die Möglichkeit, das System nach gezieltem Einsatz zu optimieren. Die Schaltfrequenz der Wandler kann zwischen 250 kHz und 2,3 MHz mit einem externen Widerstand oder Takt eingestellt werden. Ein 120°-phasenversetzter Betrieb zwischen Buck1, Buck2 und Buck3 minimiert die Eingangsfilteranforderungen.Merkmale
- 4,5 V bis 17 V Betriebseingangsspannungsbereich
- Rückkopplungsreferenzspannung von 0,6 V ±1,33 %
- Dauerausgangsstrom von 5 A/3 A/2 A
- Einstellbare Taktfrequenz: 250 kHz bis 2,3 MHz
- Externe Synchronisierungs-Oszillator
- 120°-phasenversetzt für Buck1, Buck2 und Buck3
- Dedizierte Freigabe-Pins für jeden Buck
- Feste SS-Zeit für jeden Buck (2,4 ms)
- Automatische Ein-/Ausschalt-Sequenz und verstellbares Zeitintervall zwischen Bucks (6 Kombinationen)
- Unterstützung für Pulse-Skipping-Modus (PSM) und erzwungener Dauerstrommodus (CCM)
- Power-Good-Ausgangsspannungs-Anzeige und einstellbare Verzögerungszeit
- Überhitzungsschutz
- 32-Pin-QFN-Gehäuse (RHB) von 5 mm x 5 mm
Applikationen
- DTV
- Set-Top-Boxen/OTT
- Heim-Gateway und Zugangspunkt für Netzwerke
- Überwachung
Simplified Application Circuit
Block Diagram
Additional Resources
Veröffentlichungsdatum: 2016-01-15
| Aktualisiert: 2022-03-11
