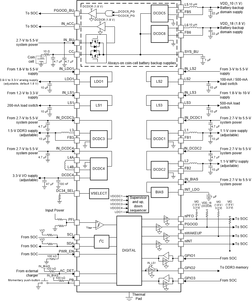
Texas Instruments TPS6521815 Benutzerprogrammierbare Leistungsmanagement-ICs
Texas Instruments TPS6521815 Benutzerprogrammierbare Leistungsmanagement-ICs sind Einzelchip-Leistungsmanagement-ICs (PMICs). Die Bauteile sind für den Betrieb einer großen Auswahl von SoCs und FPGAs benutzerprogrammierbar. Das Bauteil ist über einen Temperaturbereich von -40 °C bis +105 °C ausgelegt und eignet sich daher hervorragend für Industrieapplikationen.Merkmale
- Drei einstellbare Abwärtswandler mit integrierten Schalter-FETs (DCDC1, DCDC2 und DCDC3):
- Ausgangsstrom: bis zu 1,8 A
- VIN-Bereich von 2,7 V bis 5,5 V
- Einstellbarer Ausgangsspannungsbereich von 0,85 V bis 1,675 V (DCDC1 und DCDC2)
- Einstellbarer Ausgangsspannungsbereich: 0,9 V bis 3,4 V (DCDC3)
- Stromsparmodus bei geringem Laststrom
- 100 % Tastverhältnis für niedrigsten Dropout
- Aktive Ausgangsentladung, wenn deaktiviert
- Ein einstellbarer Abwärts-/Aufwärtswandler mit integrierten Schalter-FETs (DCDC4):
- Ausgangsstrom: bis zu 1,6 A
- VIN-Bereich von 2,7 V bis 5,5 V
- Einstellbarer Ausgangsspannungsbereich: 1,175 V bis 3,4 V
- Aktive Ausgangsentladung, wenn deaktiviert
- Zwei Abwärtswandler mit niedrigem Ruhestrom und hohem Wirkungsgrad für die Batterie-Backup-Domain (DCDC5, DCDC6)
- DCDC5: Ausgang von 1 V
- DCDC6: Ausgang von 1,8 V
- VIN-Bereich von 2,2 V bis 5,5 V
- Wird über den Systemstrom oder eine Knopfzellen-Backupbatterie versorgt
- Einstellbarer Universal-LDO (LDO1)
- LDO1: 1,8-V-Standard von bis zu 400 mA
- VIN-Bereich von 1,8 V bis 5,5 V
- Einstellbarer Ausgangsspannungsbereich: 0,9 V bis 3,4 V
- Aktive Ausgangsentladung, wenn deaktiviert
- Niederspannungslastschalter (LS1) mit einer Strombegrenzung von 350 mA
- VIN-Bereich: 1,2 V bis 3,6 V
- Schaltimpedanz bei 1,35 V: 110 mΩ (max.)
- 5-V-Lastschalter (LS2) mit wählbarer Strombegrenzung von 100 mA oder 500 mA
- VIN-Bereich: 3 V bis 5,5 V
- Schaltimpedanz bei 5 V: 500 mΩ (max.)
- Hochspannungslastschalter (LS3) mit 100 mA oder 500 mA wählbarer Strombegrenzung
- VIN-Bereich: 1,8 V bis 10 V
- Schaltimpedanz: 500 mΩ (max.)
- Supervisor mit integrierten Supervisor-Funktionsüberwachungen
- DCDC1, DCDC2 ±4 % Toleranz
- DCDC3, DCDC4 ±5 % Toleranz
- LDO1-Toleranz: ±5 %
- Schutz-, Diagnose- und Steuerungsfunktionen:
- Unterspannungssperre (UVLO)
- Always-on-Drucktastenüberwachung
- Übertemperaturwarnung und thermische Abschaltung
- Separater Power-Good-Ausgang für Backup und Hauptstromversorgung
- I2C-Schnittstelle (Adresse 0x24) (siehe Timing-Anforderungen für I2C-Betrieb bei 400 kHz)
Blockdiagramm
Veröffentlichungsdatum: 2019-12-24
| Aktualisiert: 2024-02-16
