Texas Instruments TPS6508700 Energiemanagement-IC (PMIC)

Der Texas Instruments TPS6508700 Energiemanagement-IC (PMIC) ist ein Einzelchip-PMIC für die 17h-Modelle 10h-1Fh Prozessoren der AMD™-Produktfamilie, die für Notebooks und All-in-One-Desktops ausgelegt sind. Das TPS6508700 Bauteil bietet einen Eingangsbereich von 5,6 V bis 21 V und ermöglicht damit den Einsatz in einer großen Auswahl von Applikationen. Dieser Baustein eignet sich hervorragend für NVDC- und Nicht-NVDC-Stromversorgungsarchitekturen mit 2S-, 3S- oder 4S-Li-Ionen-Akkusätze. Die D-CAP2™- und DCS-Control™-Hochfrequenz-Spannungsregler verwenden kleine Induktivitäten und Kondensatoren, um eine kleine Lösungsgröße zu erzielen. Die D-CAP2- und DCS-Control-Topologien verfügen über eine ausgezeichnete Einschwingzeit-Leistung und eignen sich daher hervorragend für Prozessorkerne und Systemspeicherschienen mit schneller Lastschaltung. Eine I2C-Schnittstelle ermöglicht die einfache Steuerung über einen eingebetteten Controller (EC) oder über ein System-on-Chip (SoC).

Merkmale

  • Breiter VIN-Bereich von 5,6 V bis 21 V
  • Drei synchrone Abwärts-Controller mit variabler Ausgangsspannung und DCAP2™ Topologie
    • Skalierbarer Ausgangsstrom mit Verwendung von externen FETs mit einstellbarer Strombegrenzung
    • I2C Steuerung der dynamischen Spannungsskalierung (DVS) für BUCK2 und BUCK6, externes Feedback für BUCK1
  • Drei synchrone Abwärts-Controller mit variabler Ausgangsspannung, DCS-Control-Topologie und I2-DVS-Fähigkeiten
    • VIN-Bereich von 4,5 V bis 5,5 V
    • VOUT-Bereich von 0,425 V bis 3,575 V
    • Bis zu 3 A Ausgangsstrom
  • Drei LDO-Regler mit einstellbarer Ausgangsspannung
    • LDOA1: I2C-einstellbare Ausgangsspannung von 1,35V bis 3,3V für einen Ausgangsstrom bis 200mA.
    • LDOA2 und LDOA3: I2C-einstellbare Ausgangsspannung von 0,7 V bis 1,5 V für einen Ausgangsstrom von bis 600 mA.
  • LDO mit BUCK6 als Eingangsspannung
  • Drei Lastschalter mit Anstiegsratensteuerung
    • Ausgangsstrom bis 300mA mit Spannungsabfall von weniger als 1,5% der Eingangsnennspannung
    • RDSON < 96mΩ bei einer Eingangsspannung von 1,8V
  • 5V feste Ausgangsspannungs-LDO (LDO5)
    • Stromversorgung für Gate-Treiber von SMPS und für LDOA1
    • Automatische Umschaltung auf externen 5V-Buck für höheren Wirkungsgrad
  • Eingebaute Sequenzierung durch werksseitige OTP-Programmierung
    • CTL1, CTL4 und CTL5 verwendet für G3’-, G3-, S5- und S0-Statusauswahl
    • GPO1 und GPO2 verwendet für PG_S0 und PG_S5
    • Open-Drain-Interrupt-Ausgangspin
  • I2C-Schnittstellen unterstützen
    • Standardmodus (100kHz)
    • Schnellmodus (400kHz)
    • Schnellmodus-Plus (1 MHz)

Applikationen

  • Li-Ion-batteriebetriebene Produkte mit 2, 3 oder 4 Reihenzellen (NVDC oder Nicht-VVDC)
  • Netzbetriebene Konstruktionen, insbesondere von einem 12V-Netzteil
  • Tablet-, Ultrabook- und Notebook-Computer
  • Mobile PCs und mobile Internetgeräte

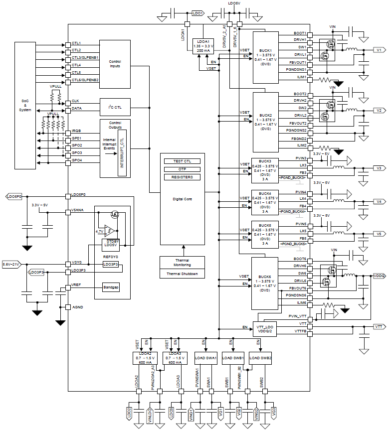
Funktionales Blockdiagramm

Blockdiagramm - Texas Instruments TPS6508700 Energiemanagement-IC (PMIC)
Veröffentlichungsdatum: 2018-06-20 | Aktualisiert: 2023-03-01