Texas Instruments TPS650864xx Konfigurierbarer Multi-Rail-PMIC

Der Texas Instruments TPS650864xx konfigurierbare Multi-Rail-PMIC ist ein Einzelchip-Energiemanagement-IC für Xilinx Zynq-Multiprozessor-SOCs (MPSoCs) und FPGAs (feldprogrammierbare Gate-Array. Der TPS650864xx bietet einen Eingangsbereich von 5,6 V bis 21 V und ermöglicht damit den Einsatz in einer Vielzahl von Anwendungen. Das Gerät wurde für netzbetriebene Applikationen oder Li-Ion-Batteriepacks (NVDC oder Nicht-NVDC-Leistungs-Architekturen) vom Typ 2S, 3S oder 4S entwickelt. Die D-CAP2- und DCS-Control-Hochfrequenz-Spannungsregler verwenden kleine Induktoren und Kondensatoren, um eine kleine Lösungsgröße zu erzielen. Die D-CAP2- und DCS-Steuertopologien verfügen über eine ausgezeichnete Einschwingzeit. Diese Funktion eignet sich hervorragend für Prozessorkerne und Systemspeicher-Rails, die über eine schnelle Lastschaltung verfügen. Eine I2C-Schnittstelle ermöglicht die einfache Steuerung über einen integrierten Controller (EC) oder über ein SoC.

Merkmale

  • Breiter VIN-Bereich von 5,6 V bis 21 V
  • Drei synchrone Abwärts-Controller mit variabler Ausgangsspannung und DCAP2™-Topologie
    • Skalierbarer Ausgangsstrom mit Verwendung von externen FETs mit einstellbarer Strombegrenzung
    • I2C-DVS-Control von 0,41V bis 1,67V in Stufen von 10mV oder 1V bis 3,575V in Stufen von 25mV.
  • Drei synchrone Abwärts-Controller mit variabler Ausgangsspannung und DCS-Control-Topologie
    • VIN-Bereich von 3 V bis 5,5 V
    • Bis zu 3 A Ausgangsstrom
    • I2C-DVS-Control von 0,41V bis 1,67V in Stufen von 10mV oder 0,424V bis 3,575V in Stufen von 25mV.
  • Drei LDO-Regler mit einstellbarer Ausgangsspannung
    • LDOA1: I2C-einstellbare Ausgangsspannung von 1,35V bis 3,3V für einen Ausgangsstrom bis 200mA.
    • LDOA2 und LDOA3: I2C-einstellbare Ausgangsspannung von 0,7V bis 1,5V für einen Ausgangsstrom von bis 600mA.
  • VTT LDO für DDR-Speicheranschluss
  • Drei Lastschalter mit Anstiegsratensteuerung
    • Ausgangsstrom bis 300mA mit Spannungsabfall von weniger als 1,5% der Eingangsnennspannung
    • RDSON < 96mΩ bei einer Eingangsspannung von 1,8V
  • 5V feste Ausgangsspannungs-LDO (LDO5)
    • Stromversorgung für Gate-Treiber von SMPS und für LDOA1
    • Automatische Umschaltung auf externen 5V-Regler für höheren Wirkungsgrad
  • Eingebaute Flexibilität und Konfigurabilität durch werksseitige OTP-Programmierung
    • Sechs konfigurierbare GPI-Kontakte zur Aktivierung (CTL1 bis CTL6) oder Schlafmoduseingabe (CTL3 und CTL6) jeder gewählten Schiene
    • Vier konfigurierbare GPO-Kontakte zu Power-Good jeder gewählten Schiene
    • Open-Drain-Interrupt-Ausgangspin
  • I2C-Schnittstellen unterstützen
    • Standardmodus (100kHz)
    • Schnellmodus (400kHz)
    • Schnellmodus-Plus (1 MHz)

Applikationen

  • Programmierbarer Logik-Controller
  • Machine Vision Kamera
  • Videoüberwachung
  • Test- und Messsysteme
  • Integrierte PCs
  • Bewegungssteuerung
  • Tragbare Ultraschallgeräte

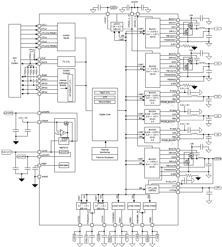
Funktionales Blockdiagramm

Blockdiagramm - Texas Instruments TPS650864xx Konfigurierbarer Multi-Rail-PMIC
Veröffentlichungsdatum: 2017-08-30 | Aktualisiert: 2022-05-06